FET Diff. Balanced Headphone Amplifier
FET差動バランス型ヘッドホンアンプ
12V平ラグバージョン(2011年)と15V基板バージョン(2017年)

2011年1月27日
FET差動ヘッドホンアンプのバランス化の話題が出てからかなりの月日が経ちました。どんな回路にすればいいかについてはすでに十分に明確になっていたにもかかわらず、製作する機会に恵まれず大変お待たせしてしまいました。ようやく製作することができましたので、ここにその詳細をレポートいたします。
バランス伝送は真空管が登場した20世紀の初頭から今日に至るまで、オーディオに限らず通信やデジタルなど非常に幅広く使われている技術です。その目的の最大のものは「より確実に伝送する」ことにあります。バランス伝送は単にノイズに強いということだけでなく、さまざまな副次的効果があるためオーディオ信号の伝送に適しているといえます。しかし、バランス伝送を行うには手間とお金がかかります。そしてコンシューマオーディオにおいてはその効果のほどはいまだ未知数なところがあります。ここで製作したバランス型ヘッドホンアンプは、必ずしも音のレベルアップを保証するものではありません。私としては作って正解だったと思っていますが、いまだ世間の評価に晒されているわけではありません。それでもやってみよう、という方のために情報を公開いたします。
本機を使い始めて1ヶ月ほど経ちました。日数をかけて聞き込んできましたが、私の中ではこれまで製作してきたヘッドホンアンプの中でNo.1のポジションであることは間違いないようです。
6年後の2017年6月4日
2017年の夏も近づく季節、レコーディングエンジニアの赤川さんから「FET差動バランス型ヘッドホンアンプが今まで聞いたヘッドホンアンプの中でベスト。これをレコーディングでアーティスト用のモニターにできないか」という相談がきました。レコーディング中のアーティストが聞いているヘッドホンの音はどれもひどいものばかり、製品で音が良いヘッドホンモニターアンプに出会ったことがない、リアルで音のニュアンスがきちんと伝わるモニターを返すことができれば、もっと良い音楽が録れるはずだとおっしゃる。というわけでFET差動バランス型ヘッドホンアンプをベースにしてレコーディングスタジオ仕様のヘッドホンアンプを作ることになったわけですが、どうせ作るなら少し改良してやろうということで2017バージョンができました。
2011年バージョンは12V電源の「FET式差動ヘッドホンアンプ Version2」をベースにバランス化したものですが、2017年バージョンは15V電源の「FET式差動ヘッドホンアンプ Version3」をベースとしました。また、平ラグ2枚重ねの構造は一箇所でも間違えたまま組み上げてしまうとどうにもならないので、平ラグではなく保守が容易でスペース効率の良い基板タイプとしました。本ページでは、2011版と2017版の両方について記述してあります。
基本回路はとてもシンプルで、1つのFET差動回路にダイヤモンドバッファを2つつけただけです。実際に利得を得るための増幅作用を営むたった1段のFET差動回路を構成する2個の2SK170だけで、ダイヤモンドバッファの役割はインピーダンス変換しかやっていません。2つのダイヤモンドバッファはA級動作を営むBTL方式にしてあります。A級BTLの優れたところは、負荷を駆動する信号電流が電源回路やアースに流れないという点です。OPアンプで採用されているB級動作によるBTLではこのような動作をさせる芸はありません。
負帰還は出力側から入力側に戻す反転方式です。入力インピーダンスに一定値を確保するために負帰還素子は47kΩ〜120kΩという高抵抗を使っています。そのために2SK170の帰還容量が効いてしまうことによる高域側の帯域特性が犠牲になっており、また抵抗器から生じるジョンソンノイズが増えることで残留雑音特性も犠牲になっています。このように物理特性上は非常に不利な設計でありながら、オーディオアンプとしては高いポテンシャルを持っているところがこの方式の妙だと思います。
初段差動回路は2017年版の方がより多くの利得を稼ぐようにアレンジしてあります。2011年版が34倍程度であるのに対して2017年版は50倍ほどにアップしています。これにより歪率がかなり低下しました。共通ソース側には2SC1815を使った定電流回路があります。定電流回路にはさまざまな方式があり、2011年版と2017年版とでは方式が異なりますが、それは大した問題ではありません。
ダイヤモンドバッファ部の動作条件はFET式差動ヘッドホンアンプ Version3と同じですが、2017年版は電源電圧高くなっているのとアイドリング電流を多めに設定しています。
電源回路の構造は基本的にアンバランスタイプのFET差動ヘッドホンアンプと変わることはありませんが、消費電流が増えたこと対応するなど若干の変更を加えています。DC15V入力のところに入れた1mHのインダクタによるノイズフィルタは非常に効果的で、ACアダプタからやってくるノイズを1/10以下の減らす効果があります。マイナス電源のダイオードを2個から3個に増やしたのは、アンバランス入力時の振幅を大きくとれるようにするためです。
2011年版の回路(入力まわりと出力まわりは省略)
2017年版の全回路
確認すべき各部の電圧(アース基準)を青色で書き込んであります。
![]()
このヘッドホンアンプの入力回路は差動式のバランス入力回路です。この回路の面白い点は、バランス入力としてもアンバランス入力としても動作することです。2つある入力はそれぞれバランス・ラインのHOTとCOLDに対応するわけですが、どちらか一方(とりあえずCOLD側)をアースしてしまうとバランス出力を維持しながらアンバランス入力のアンプになります。つまり、アンバランス→バランス変換アンプになります。
そこで、2011年版ではバランス入力とアンバランス入力の両方に対応できるように2種類の入力端子をつけました。アンバランス入力用には一般的なRCAジャックを使い、バランス入力用にはTRSフォーンジャックを使いました。TRSフォーンジャックには連動スイッチ付のものを使い、TRSフォーンジャックが挿入されていない時はCOLD側をアースしてアンバランス入力となるようにしてあります。もっとも、こんなことをやらずにTRSフォーンジャックだけでも困ることはありません。RCA→TRS変換アダプタが廉価に入手できます。
2017年版ではバランス入力用に3pinキャノンを使いました。この場合はTRSフォーンジャックでやったようなバランス〜アンバランスに自動切り替えはできなくなります。そのため内部で3番と1番がショートされているRCA〜XLR3変換アダプタを使うことにします。RCAジャックを取り付けた場合は、12Pトグルスイッチあるいは4回路以上のロータリースイッチでの切り替えになります。
バランス入力に対応するために、音量調整ボリュームにはALPS製のRK27タイプの4連ボリューム(50kΩA型)を使っています(右画像)。このタイプのボリュームは特注仕様となるため普通の部品店ではなかなか扱っていませんが、秋葉原の三栄電波に特注したものが在庫でありますので皆さんも買うことができます。
![]()
←2011年版の前後のパネル
←キャノンコネクタをRCAジャックに変換するには赤で囲ったアダプタが便利。中で3番と1番がショートしてある。
ヘッドホン出力は、2011年版はバランスのみでしたが、2017年版ではアンバランスを追加しました。アンバランス出力では、非反転の一方の出力だけを使いますので、出力信号電圧はバランス出力の時の1/2になります。
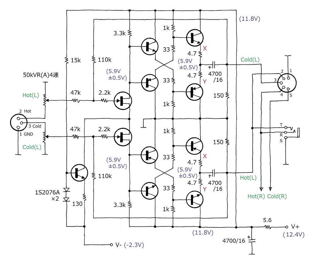
ヘッドホン側の改造方法についてはこちらにありますので参考にしてください。ヘッドホン端子には5pinキャノンを使いました。ピン接続は国際規格(AES14-1992)に準拠し、1=GND、2=Hot(L)、3=Cold(L)、4=Hot(R)、5=Cold(R)です。下図は、ヘッドホンとの接続に5pinキャノンを使った場合の接続図です。
本機はヘッドホンのかわりにそのまま出力させると、バランス型のラインプリアンプになります。1V出力に対してS/N比は91dBですから、雑音性能においてCDなど16bitデジタル・ソースのスペックを上回ります。Cold側をアースすると出力がショートしてしまうので、アンバランス出力をさせることはできません。
このヘッドホンアンプの製作は少々手強いです。アンプ作りのベテラン諸氏には何も申し上げることはありませんが、オーディオの自作をはじめたばかりの方、バランス(平衡)回路の基礎知識をお持ちでない方にとっては、回路がどのように動作しているのか、具体的にどう配線したらいいのか、わからないことだらけになるかもしれません。しかし、当サイトで手取り足取り記述するのは無理です。基礎知識を身につけて自力で製作していただかなければなりません。
バランス(平衡)回路に関してはこちらに解説ページがありますので、まずはBasicの項からお読みください。
本機のベースモデルはこちらです。回路に関する詳しい説明はここにあります。
さて、おなじみ平ラグのパターンは以下のとおりです。平ラグは全部で4枚あり、それぞれ2枚ずつ背中合わせにしてL-ch用とR-ch用になります。L-ch用側には左右共通の電源部が含まれています。下側の平ラグは上から見た図(正立)と下から見た図(倒立)の2枚があり、実質同じものですが書き方が裏返しになっています。斜めの矢印が貫通部です。貫通部では、抵抗器などのリード線を短く切らずに10mmほどまっすぐに突き出すように残しておき、相手の平ラグと合わせた時に互いにかみ合うようにしてください。
![]()
平ラグは上下ばらばらの状態で部品を実装しつつ、リード線を平ラグの穴に通して上下2枚の噛み合わせ具合をチェックしているところです。上下2枚の平ラグは7〜8ヶ所で貫通させています。抵抗器の足を切らずに貫通用として流用します。しかし、こういうことをしてしまうと、一旦組み上げてしまったら、二度と元に戻ることはできません。配線を間違えたら悲惨です。
黒いアルミ電解コンデンサは4700μF/16Vですが、高さは26mm以下でないとケース(タカチ HEN110620)に収まりません。使ったアルミ電解コンデンサは通常品です。オーディオグレードや低ESRタイプではたぶん大きすぎて入りません。
![]()
平ラグユニットがほぼ組み上がり、スペーサを使って2枚を貼り合わせ、ハンダづけで固着した状態です。スペーサは長いのが20mm、短いのが6mmです。6mm側のネジ穴が浅く突き当たってしまうので、帳尻を合わせるためにワッシャをかましています。
20mmの高さに収まるようにするためには、2SC3421と2SA1358はかなり高さを抑えた取り付けの工夫がいります。画像でも2SC3421と2SA1358のリード線を大きく曲げて「しゃがんだ」ようになっています。
![]()
4連ボリューム、キャノン・コネクタ、TRSフォーンジャックを収めようとするとほとんど隙間がなくなります。画像は組みあがった2つのユニットをケース内に置いてみた状態で、この位置では4連ボリュームやTRSフォーンジャックは収まりません。ミリ単位で丁寧に位置決めすれば必ず収まりますので頑張ってください。
![]()
完成した2011年版。
TRSジャックはバランス入力とアンバランス入力の両方に対応し、TRSジャックにプラグが挿入されていない時はRCAジャックに切り替わります。画像では2芯シールド線を使っていますが、その必要はなくHotとColdの2本の線を捻れば十分です。
2017年版はタカスのユニバーサル基板 IC-301-742017を使用しました。基板パターンは以下のとおりです(クリックで拡大)。基板の画像は試作機のものなので、実装されている部品は回路図や頒布されているものと異なります。
![]()
![]()
- ユニバーサル基板・・・パターンのチェック・・・回路図と実際の配線のは見た感じはかなり異なるものです。本サイトの基板パターンで製作する場合は、いきなり基板パターンを見て作るのではなく、どんな基板パターンなのなかを学習してください。基板パターンを追ってそこから回路図を起こしてみる方法をおすすめします。おそらく、回路図とは似ても似つかない場所に部品が配置されていてびっくりされるでしょう。基板パターンの間違いが発見されることもあります。考えているうちにもっと良い基板パターンが思いつくこともあります。ですから、基板パターンからの回路図の逆作成は必ずやってください。
タカスのユニバーサル基板の使い方はこちらに重要な解説があります。ユニバーサル基板の一般的な使い方とは考え方が異なりますが、この基板パターンで製作する時に必要な知識であり、さまざまなメリットがあるので必ずお読みください。- ユニバーサル基板・・・ジャンパー線の取り付け・・・ユニバーサル基板では、パターンをつなぐ線は銅箔がある下側に這わせるのが普通ですが、本機では上側を這わせています。こうすることで、実装密度を高められる、接触導通が良くなる、間違えた時のやり直しや部品の交換が容易・・・といったメリットが出ます。ジャンパー線には細めの0.28mm径の銅線を使います。これを「コの字」型にしたものを基板の上から差し込んでからホチキスの針のように下側で折り曲げて固定します。最初にこの作業をやっておけば、あとは半導体やCR類は上から差し込んでどんどんハンダづけするだけで完成してしまいます。半導体やCR類は下側で折り曲げませんので、作業性が良いだけでなく、間違えた時の交換も非常に簡単です。
- ユニバーサル基板・・・ジャンパー線のハンダづけ・・・ハンダごては20〜30Wくらいのセラミックヒーター式で、こて先は円錐状にテーパーした標準タイプを推奨します。細かい基板作業ですのでハンダは標準(1mm径)よりも細め(0.8mm以下)の方が作業性が良いです。ジャンパー線を通した穴には、ジャンパー線しか通さない穴と、ジャンパー線だけでなく同じ穴に後から半導体やCR類のリード線も同居する穴の2種類があります。ジャンパー線しか通さない穴は早い段階でハンダづけできますが、ジャンパー線と部品のリード線が共存する穴はハンダづけのタイミングに注意してください。
- ユニバーサル基板・・・半導体&CR類の取り付け・・・立てて取り付ける抵抗器は、一方が胴体でもう一方がリード線ですから場所の余裕を考えて向きを決めます。適当な向きに取りつけてゆくと部品と部品が当たって入らなくなります。部品はすべて表面が絶縁されているので接触しても問題ありません。
・半導体類・・・向きを間違えないように。リード線は短くしすぎると扱いにくい上にハンダの熱でやられることがあります。
・抵抗器・・・立てて取り付けるものがほとんどですが、動作中の電圧をチェックしやすいように電圧をチェックしたい側のリード線が上に来るように配慮します。
・アルミ電解コンデンサ・・・基板に密着して取り付けます。太いリード線が長いままだとハンダごてを当てても熱が逃げてハンダづけしにくいので、少し切って短めにしておいた方が作業性が良いです。
・ジャンパー・・・ジャンパーはクロスする場所が4ヶ所あります。一本は銅線、もう一本はビニル線を使います。
・アースライン補強・・・入力側のアースラインは、0.28mm径銅線を当ててハンダで密着させてDCRを下げてやります。
(試作機なので2200μF/10Vではなく16Vがついています。)
抵抗器はすべて1/4Wタイプで足ります。精度は5%級のカーボン抵抗器で十分ですが頒布では1%級の金属皮膜抵抗器です。なお、残留雑音は金属皮膜抵抗器の方が若干少なくなります。
初段で使う2SK170はBLランクまたはGRランクを指定します。無調整で差動バランスを取らなければなりませんので、バイアス特性が揃ったペアが必要です。暫定的にはIDSSが揃ったものであればなんとか実用になります。当サイトでは精密にペア取りしたものを頒布しています。自力で精密な選別をするには専用の器具が必要です。作り方はこちら(http://www.op316.com/tubes/toy-box/tester2.htm)
初段定電流回路で使う2SC1815はhFEが低めのYランクを指定します。hFEが高すぎると自己発振することがあるためです。ダイヤモンドバッファで使う2SA1015と2SC1815はhFEが高い方が有利なのでGRランクが望ましいです。出力段の2SA1358と2SC3421もhFEが高い方が有利なのでYランクを指定します。Oランクでもちゃんと動作しますが、特性がわずかに劣化します。トランジスタのコンプリ・ペア(2SA1015と2SC1815、2SA1358と2SC3421)のhFEは同じにはなりません。常に、2SA1015<2SC1815であり、2SA1358>2SC3421です。ペアだからといって同じ値のものを探してもまず見つかりませんし、値が異なっていても特性には悪影響はありません。
下図は、本機で使用したJFETおよびトランジスタの接続です。いずれも、印字面を手前にした状態あるいは下から見た図です。上からではありませんので間違えないでください。2SK170は、回路図でいうと、上からドレイン(D)、ゲート(G)、ソース(S)の順ですが、実物は左からドレイン(D)、ゲート(G)、ソース(S)の順です。おなじみ2SK30とは左右が逆ですので注意してください。トランジスタは回路図で矢印がついているのがエミッタ(E)、横に出ているのがベース(B)、斜めに出ているのがコレクタ(C)ですが、実物は左からエミッタ(E)、コレクタ(C)、ベース(B)です。
JFETやトランジスタの足の配置図は、下から見た(bottom view)順序で表記されています。はじめてトランジスタで自作する方はよく上から見た図と思って配線してしまいますのでご注意ください。2SK170は、印字面に向かって「D-G-S」、2SA1015/2SC1815/2SA1358/2SC3421すべて印字面に向かって「E-C-B」の順です。
2SK170 2SA1015 / 2SC1815 2SA1358 / 2SC3421
マイナス電源用の3個のダイオードは順電圧を使って一定の電圧を得ていますので1Aタイプのシリコン・ダイオードが適します。10DDA10あるいは10E1を指定していますが、1N4002〜1N4007はすべて使えます。東芝のS5277シリーズも使えます。SBD(ショットキバリアダイオード)は順電圧が非常に低いので使えません。
DC15Vスイッチング電源は秋月電子のDC15V/0.8Aタイプまたは1.2Aタイプ(750円くらい)です。きわめて廉価ですがスイッチングノイズが非常に低く、特性的にも申し分のないものです。これに適合するDCジャックは外径5.5mm/内径2.1mmの標準タイプです。
ボリュームは、左右精度が非常に良く、雑音性能・耐久性に優れたアルプス製のボリュームRK27シリーズの4連を使いました。
本機を製作したい方で部品入手が困難な方のために、部品頒布ページで必要な部品を提供します。
回路図に書き込んだ各部の電圧が概ね同じであれば正常に動作しているとみていいでしょう。にもかかわらず音が出ないとか、音が小さいといった問題が生じた場合は、入出力まわりやボリュームの配線ミスやハンダ不良を調べます。負帰還回路に問題があると音量が異常に大きいあるいは小さいといった現象が起きます。
アイドリング電流は、X-Y間を測定して計算で求めます。正常時のX-Y間の電圧は0.37V〜0.4Vですから、40mAくらいということになります。この値は気温や半導体の暖まり具合ゆるやかに変動します。
本機の基本特性は以下の通りです。2011年版
- 入力インピーダンス: 48kΩ〜100kΩ(バランス)、24kΩ〜50kΩ(アンバランス)
- 利得: 2.3倍(2011年版)
- 利得: 2.2倍(2017年版)
- 残留雑音: 28μV(帯域=80kHz)
- 周波数特性: 2Hz〜100kHz(+0dB/-3dB、1V出力、68Ω負荷)
歪み率特性および周波数特性は以下の通りとなりました。10kHzでは若干の劣化がみられますが100Hzと1kHzはきれいに重なっています。歪率は赤い線のみアンバランス入力です。
![]()
2017年版
歪み率特性は細い線が2011年版で、太い線が2017年版です。雑音性能と周波数特性は変わっていません。歪率は1/3〜1/4に減り、最大出力は1.5倍アップですが現実にはそんな大出力は耳を壊すだけでしょう。
![]()
作っておきながら何も書かないというのもおかしな話なので、少し音に関するレポートもしておくことにします。
音そのものは元になったFET差動ヘッドホンアンプの音の特徴をそのまま継承しています。出力コンデンサ容量を実質2.3倍としていることと、BTL化して信号電流が電源のコンデンサを流れないことによるアドバンテージがあるためか超低域の出方とプレゼンスがかなり向上しています。音楽ソースにはこんな超低域の信号がはいっていたのか、と驚かされますが、低域が良く出るヘッドホンですと低域出過ぎで違和感を感じるかもしれません。同じ効果をスピーカーで得ようとするとおそらく巨大なウーファが必要になりますから、手軽にこういう音が聞けるのはヘッドホンならではではないかと思います。
興味深いのはCQ版のOPアンプ式平衡型ヘッドホンアンプとも共通点があったことです。バランス型をしっかりと聞いた後でアンバランス型を聞くと、音場が単一面上に平たく展開しているような印象を受けます。どちらの方がソースの音を正確に再現しているのかはわかりませんが聞いていて心地よいのはバランス型でしょう。人の声のナチュラルさはFET差動の方がまさりますので、私のめざす方向としては本機の方が上ということになります。
これを製作された方がコメントがあります。私以外の方の印象ですので参考にしてください。
「バランス型差動ヘッドフォン・アンプ」を同僚に聞かせるとヘッドフォンを耳から離さなくなる人、口をぽかんと開けたままになる人、素直にこれ欲しいと言うピアノを弾く子(ピアノ科出たばかりか)がいて困っています。平ラグ2枚の背中合わせは工作としては非常に面白かったですが貫通させる足を一本切り落としたり下側の2SA13582とSC3421を低くつけろと書いてあるのに高く取り付けてしまい足を切って付け直したりと結構失敗もあります。
アンバランス入力なのにCOLDをGNDにつなぎ忘れ等もありましたが無事音が出ました。
6N6Pシングル、6N6P全段差動、CQ版FET差動ヘッドフォンアンプ、と今回で4台目になりますが上から下までスーと伸びた気持ちの良い音と言うのが私の感想です。
元になったアンバランス型のFET差動ヘッドホンアンプは無理なく600kHzほどの帯域特性が得られているのに対して、本機では100kHzどまりとなっています。オーディオアンプとしては十分な帯域特性ですが、劣化したことが気になっていてなんとか改善できないものかとずっと考えていました。改善方法には2つほど案があります。
<その1・・・クロス中和>
最初に行ったのはクロス中和の実験です。クロス中和は全段差動PPアンプのベーシック型(2段構成)で効果を確認した方法のひとつです。クロス中和は、ミラー効果による入力容量の増加を毒をもって毒を制する発想で打ち消すテクニックです。使用したのはチャネルあたり2個の5pF〜10pFのディップマイカコンデンサです。パターン1は、初段ゲートとヘッドホン出力との間にコンデンサを入れた場合で、パターン2は初段ゲートと初段ドレインとの間にコンデンサを入れた場合です。途中にダイヤモンドバッファがはいるかどうかの違いがあります。2SK170の帰還容量の公表値は6pFですので5pFも入れておけばかなりの効果があると思ったのですが、期待したほどではありませんでした。それでも確実に帯域特性は改善されています。実際の帰還容量はもう少し多いのではないかと思って10pFに変えてみたところどんぴしゃでした。10pFの場合は600kHzまで伸びます。
面白い試聴結果が得られました。10pFにするとOPアンプを使った場合と非常に良く似た音になりました。本回路特有の中低域の太さが減退し、ハイにかすかに耳障りな癖のようなものがついてナチュラルさがなくなりました。5pFに戻してパターン2で聞いています。しばらくこのままで使ってみてよければこれでFIXしますし、まずいようであれば撤去して元に戻すつもりです。
・・・・結論が出ました。クロス中和は取り外しとなりました・・・・
<その2・・・初段カスコード化>
初段差動回路の帰還容量の影響をなくすもうひとつの方法は、両ドレイン側に出力信号が現れなくしてしまうという方法です。具体的には、カスコード接続にしたバイポーラ・トランジスタをそれぞれの差動回路のドレインの上に割り込ませます。
・・・・いろいろやってみて、好ましい改善が得られなかったので、結局中止しました・・・・
平衡プロジェクト に戻る
ヘッドホンアンプを作ろう に戻る