超シンプルなPart1がなかったらPart2はありませんでした。Part2がなかったらPart3は生まれませんでした。そしてPart3がなかったらPart4にはなりませんでした。すべてが思考の材料であり、実験であり、積み重ねだと思います。Part4になったのは2014年10月のことですが、2016年2月と2017年7月にさらなる改良を加えました。
<コンセプト>
半導体式のシンプルパワーアンプのPart4のコンセプトはこのようになりました。
- 最大出力は約1.5W。
- 電源は600〜1,000円程度のACアダプタを使う。
- 増幅回路はオーソドックスな2段構成。
- 出力コンデンサをなくした±2電源方式OCL。
- それでもトランジスタはチャネルあたりたったの6個、両チャネル+電源で合計13個。
- 回路は限りなくシンプルを旨とし、かつOPアンプなどのブラックボックスは使わない。
- 高いDC安定性を確保する。
- 実用性のあるかなりまともな音を出す。
- 製作費はできるだけお財布に優しく、節約すれば10,000円くらいから、少々贅沢をしても15,000円+α程度。
これ以上欲張るとミニワッターではなくなってしまうというぎりぎりの線でしょうか。最大出力1.5W(8Ω)というと相当な大音量が出せます。それでも手のひらに乗るくらいの小型アンプですし、消費電力も6Wくらいでかわいいものです。
<OCLアンプとは>
トランジスタ式ミニワッターのPart1やPart2は、出力段とスピーカーとの間に出力トランスはありませんがDCカットのためのコンデンサがあります。スピーカーを駆動する部分から出力トランスをなくした回路のことをOTL(Output Transformer-Less)アンプといい、コンデンサがない回路のことをOCL(=Output Capacitor-Less)アンプといいます。本機はOCLアンプです。
OCLアンプでは、出力端子のDC電位をいかにアースと同じ0Vに保つかが、アンプの音響特性とは別の課題として浮上してきます。出力端子の対アース電位が0Vにならないことをオフセット(offset)が発生するといいます。オフセットとは、基準となるある点からの相対的な位置(ずれ)という意味です。DCオフセットの問題は、出力端子をDC電位をできるだけ0Vに近づけるということと、室温の変化などの影響を受けずにその状態を維持し続けることの2つの要求があります。調整時に限りなく0Vに追い込めたとしても、動作させているうちにドリフト(DC安定の流動)が生じてしまっては困ります。しかし、半導体や電子部品は例外なく温度変化の影響を受けて特性が変化してしまうので、これを巧妙に打ち消して抑え込むメカニズムも組み込まなければなりません。
本機では、2段差動回路を採用することで無理なく高い温度安定性を得ることができました。スピーカー端子に現れるDCオフセットは容易に数mV以内に抑え込むことができ、一旦調整してしまえば周囲の環境が変化しても安定状態を保ちます。
<掟破りの疑似±電源>
OCLアンプはアンプとスピーカーをDC的に直結するために、スピーカー出力の電位を0Vにしなければならず、±2電源を必要とします。プラス側の電源が供給する電流と、マイナス側の電源が供給する電流は同じになるとは限りません。また、スピーカーを駆動する信号電流が大きいためにそれに耐えられる電源回路が必要だとも言われています。そのため、独立した2つの電源を用意するというのがこの種のアンプの基本中の基本です。
ところが、本シリーズは共通して単一電源のACアダプタを使用しています。そのため、いわゆる疑似±電源方式を採用しなければならないわけですが、疑似±電源はプリアンプや簡易なヘッドホンアンプに製作例が見られるだけで、スピーカーを鳴らすパワーアンプには例がありません。私も単一電源でOCLアンプを構成することは無理だと思っていました。しかし、いくつかの制約を回路で工夫してかわしてゆくうちに、そんな掟破りな実用アンプができてしまったというわけです。
本機の電源回路の用法は限定的かつ例外的なものですので、これを真似て他のパワーアンプに適用することはできません。
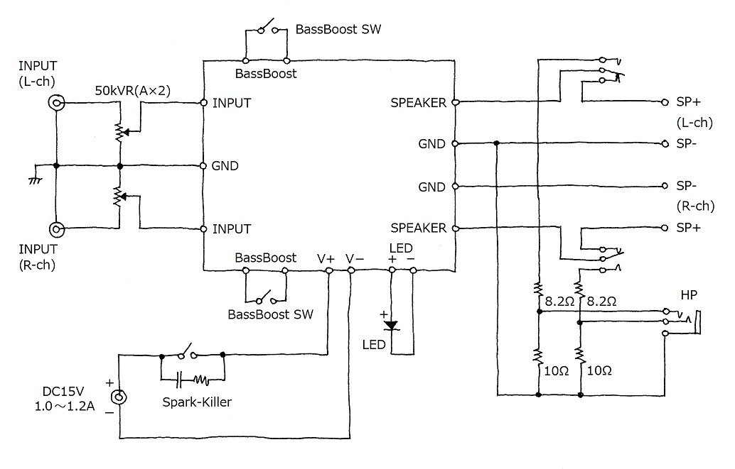
<最終回路図(2016.2.8版+2017.7.2版)>
試作機をベースにさまざまな課題を解決して2014.10.16に基本回路が出来ましたが、2016.2.8と2017.7.2に手を加えた回路がこれです。回路図の表記は、電源部は左右共通、アンプ部は片チャネル分です。電圧表記はアース基準ですが「{ 記号」がある場合は抵抗器の両端電圧です。(左リックで拡大、右クリックでコピー&ダウンロード)

基板上の回路とそれ以外の回路の関係は下図のとおりです。下の構成図のうち、Bass Boostスイッチとヘッドホン出力回路はオプションです。

ご注意:直列になった部品の順序は、基板パターンの都合で配置を入れ替えたものがあります。たとえば、電源部の330μHのインダクタがマイナス側の変なところにありますが、これは基板上の配置の制約でここに入れました。気分的にはプラス側なんですが電気的にはどちら側に入れても同じです。
本機のアンプ部をブロック図にすると以下のようになります。

入力部 ・・・ 入力端子とアンプ入力との間には50kΩ(Aカーブ)の音量調整ボリュームがあり、回路としてはごく普通の構成になっています。アンプ入力のところにある0.33μFのコンデンサは、ソース機材側にDC漏れやDCオフセットが生じていた場合の防衛用です。本機のアンプ部は利得1のDCアンプですので、ソース機材側にDC漏れが生じていた場合、このコンデンサがないとそのオフセットはそのままスピーカー出力に出てしまいます。DC領域の伝送能力があるアンプではこの種のコンデンサを省略することはできません。560kΩは左側の2SK170のゲートに0Vの基準電位を与えるための抵抗です。0.33μFと560kΩによって生じる低域側の時定数は0.86Hzです。この回路定数は非常におおらかなので、コンデンサ容量は0.22μF〜0.68μFくらいでも問題ありませんし、抵抗値も220kΩ〜1MΩくらいの範囲であれば自由に選べます。CRの組み合わせで決まる低域側の時定数の取り方にはさまざまな考え方がありますが、0.3Hz〜1Hzくらいの範囲であれば差異は生じないと思ってください。
初段増幅回路 ・・・ 2SK170を使った差動増幅回路です。ドレイン電流は2本合わせて3.4mA、1本あたりは約1.7mAです。共通ソース側は定電流回路ではなく抵抗1本(2.2kΩ)で済ませています。この時のgmは17くらい、ドレイン負荷は次段の入力インピーダンスも含めて実質240Ωくらいですから利得は単純計算では17×0.24kΩ=4.08倍になりますが、特性カーブの傾きなどいくつかのロスのせいで実際の利得は3.5倍程度です。さらに差動回路の片側からの取り出しなのでその1/2となります。両ゲートに入れてある2.2kΩは差動回路で起きやすいコルピッツ発振防止用です。
次段増幅回路 ・・・ 2SA1680を使った差動増幅回路でこの部分がPart3との最大の違いです。1本あたりのコレクタ電流は30mAで、コレクタ損失は170mWほどになるためかなり熱くなります。2SA1680を選んだ理由は、170mWの発熱に耐え、しかもhFEが他の同等のトランジスタよりも高いからです。2SA1680のhGEは、常温で270程度であっても本機の動作では温度上昇のために340以上になります。差動回路とはいうものの共通エミッタ側に定電流回路は存在せず、あるのは15Ωに抵抗器のみです。こんな簡単な回路ですがトーンキャラクタは大きく変わって、腰が据わった輪郭のはっきりとした音になりました。初期の回路では、ベース〜コレクタ間に470pFを入れていましたが、2017.7.2の改修で100pFに変更しています。
出力段SEPP回路 ・・・ 出力段はダーリントン接続にしていない1段だけのSEPP-OTL回路で、使用したトランジスタ(2SA1931/2SC4881または2SA1869/2SC4935)も回路定数もPart1、Part2、Part3と同じで変わることはありません。ベースバイアスは出力段のアイドリング電流と相談しながらカットアンドトライでシリコンダイオードのUF2010に決めました。10DDA10やIN400Xといった他の1Aクラスのダイオードではアイドリングが過電流になってしまい具合が良くありません。本来、このダイオードは出力段トランジスタに密着させて温度的に結合させるべきものですが、そのようにしなくても温度的に十分安定なので基板上に取りつけて遊ばせています。出力段のアイドリング電流は80mA〜100mAとかなり多めで小音量時はA級動作になります。アイドリング電流は周囲温度およびダイオードUF2010の個体差の影響を受けてゆるやかに変動し、安定するまでにしばらく時間がかかります。
出力部 ・・・ 負荷が完全にオープンになると、回路全体の利得が上昇するために特に高い周波数で位相余裕度が低下し、場合によっては発振してしまいます。スピーカーは数kHz以上ではインピーダンスがどんどん高くなってゆくので、スピーカーがつながっていても高い周波数では無負荷に近い状態になります。出力のところにある0.022μFと33Ωは、このような条件になった時でも高い周波数で一定の負荷がかかった状態を維持するためのものです。
スピーカー負荷と並列の1kΩは一体何のために入れてあるか・・・これはなかなかわからないかもしれません。本機のような回路で電源OFFした直後は、出力端子側は一瞬ですがアースに対してマイナスになります。そのマイナスの過渡電圧は負帰還のところにある220μFを充電し、やがて回路全体の電圧が下がってゆきます。回路図をよく見ていただくとわかりますが、220μFに溜まった電荷の逃げ道はスピーカーのボイスコイルしかありません。スピーカーをつながない状態で本機の電源をON/OFFすると、220μFには一定の電荷が溜まったままになってしまい、いつまでも消えません。それを逃がすのが1kΩの役割です。(もっとも、この1kΩを省略しても実害はほとんどないと思いますが、回路設計のエチケットとしてちょっと配慮してみたのでした)
ヘッドホン出力は、スイッチ付きのヘッドホンジャックによる切替えにしてあります。ヘッドホンプラグを差し込むと、スピーカーへの信号がヘッドホンジャックに切り替わります。ヘッドホン側には8.2Ωと10Ωによるアッテネータが入れてあり、ヘッドホンい過大な信号が行かないようにするとともに、スピーカーと切り替えた時の相対的な音量感を合わせてあります。
負帰還回路 ・・・ 12kΩと2.4kΩによるβ=0.167の負帰還定数を設定していますので、最終利得は6倍弱になるはずです。220μFのアルミ電解コンデンサには若干の±のDCがかかることがあります。電圧が0.5V以下であればアルミ電解コンデンサは無極性と割り切ることができます。なお、基板のレイアウトの都合で2.4kΩと220μFの位置が入れ替わることがありますが、回路動作には影響はありません。2017.7.2の改修で、12kΩと並列に33pFを追加しました。基板上にはスペースがありませんので、裏側に工夫して取り付けてください。
Bass Boost回路 ・・・ Part2では負帰還回路定数の都合上Bass Boostの組み込みが困難でしたが、Part3以降は負帰還定数が自由に選べるようになったためBass Boostの組み込みが可能になりました。スイッチがONの時はBass BoostはOFFになり、スイッチがOFFになるとBass BoostはONになります。
下の表は回路定数です。Part3とPart4とでは回路定数がほんの少し違っています。Part4の方がBoostされる周波数がほんの少し低くなっているのは、私が使っているスピーカー(10〜12cm)の都合です。8cmクラスのスピーカーでは明らかに低域のボリューム感が不足しますので、その場合は0.15μFを0.12μFにして若干高い周波数からブーストが始まるようにする、15kΩを18〜20kΩにしてブースト量を増やすなどの工夫をしてください。逆に13〜16cmクラスである程度低域再生能力があるスピーカーの場合は、0.22μFくらいに設定すると効果的です。
| Bass Boost Part4 | Bass Boost Part3 |
| R1 | 2.4kΩ | 2.4kΩ |
| R2 | 12kΩ | 10kΩ |
| R3 | 15kΩ | 13kΩ |
| C1 | 0.15μF/50〜100V | 0.15μF/50〜100V |
電源回路 ・・・ 15Vの単一電源のACアダプタを使う都合から擬似±2電源方式としています。疑似±電源方式では1つの電源の電圧を2分割するしくみが必要です。また、プラス側とマイナス側の電流に差異が生じた場合にこれを吸収する機能が必要です。本機では、2本の抵抗で分割した上でエミッタフォロワ1段で電流増幅しするしくみを採用しました。アンプ部は電源ON直後に吐き出し方向に過渡電流が流れますので、これを有効にかわさなければなりません。吸収できる電流量は吐き出し側は100mA以上でかなり余裕がありますが、吸い込み側は30mAくらいが上限です。
ここで使用したのはhFEが非常に高い2SC3964または2SD1694で、分圧抵抗は3.3kΩと3.9kΩとしました。2SC3422などhFEがあまり高くないトランジスタを使う場合は回路図中の赤い字の抵抗値(2.2kΩと2.7kΩ)の方がいいでしょう。初期設計の値(2kΩと2.4kΩ)で製作されたものはあえて変更する必要はありません。ご注意いただきたいのは、プラス側の電圧をマイナス側の電圧が正確に同じになるのがベストとは限らず、回路設計如何でプラスマイナスのバランスは変化します。
電源ON直後には、電源回路に存在する4本の4700μF+1000μFと2本の3300μFを充電するためにかなりの大きさの過渡電流が流れます。何の手当てなしに2A以下の容量のACアダプタを使うとACアダプタの保護回路が働いたままになってしまい正常な電圧が出なくなります。そこで、電源ON直後の過渡電流のピーク値を1A程度に抑えるために遅延回路を付加しています。この回路の動作は非常にシンプルで、電源ON直後にリレーと並列に入れた2200μFの充電が開始され、リレーの作動には約0.4〜0.6秒ほどの遅延が生じます。その間は電源回路と直列に12Ωが割り込むために過渡電流が制限され、コンデンサ群がある程度充電されてから電源回路が完全に開通するわけです。
2014年10月に発表した初期の設計では左右の電源のバイパスコンデンサ容量は4700μF×4個でしたが、2016年2月に1000μF×4個を追加して「4700μF+1000μF=5700μF」に増量しました。それにともなってリレーの遅延回路の1000μFを2200μFに変更して遅延時間を長くしました。また、いろいろ思案の末リレー回路のドロップ抵抗の510Ωを470Ωに変更しています。(2016年2月8日追加)
いろいろなACアダプタを試したところ、スイッチングノイズがかなり多いものに出会いました。また、取り出す電流量や電流変化の状態によってノイズ量が一定ではないこともわかりました。電源のスイッチングノイズが多いと残留ノイズが増えて、微小出力領域での歪率特性のみかけ上の数値が悪化します。ACアダプタの電流容量は0.8A以上あれば足りる計算ですが、0.8Aのものは電源スイッチのON/OFFのタイミングによっては保護回路が作動してしまうので、1A以上ものもを推奨します。本機の消費電流は無信号時で約0.4A弱、最大出力時には0.6Aを超えますので0.8A以上の電流容量のものでないと過熱して焼き切れます(試作機には暫定的に1mHのものを2個並列に取り付けています)。
LED点灯は15V電源から3.6kΩで約3.6mAに電流制限して点灯しています。電源のON/OFFは、本来的にはACアダプタのAC100V側で行うのがお作法ですが、一応DC側にも電源スイッチを取り付けてあります。DC回路の開閉の場合、スパークキラーはスイッチと並列に入れます。
<部品>
2SK170(初段差動回路)は、できるだけバイアス特性が揃ったペアを使ってください。ソース側のバイアス調整ボリューム(10Ω)による調整範囲はめいっぱい回し切っても16mVくらいしかありませんので無選別の2SK170は全く使えません(※)。BLランクを使用していますが、GRランクも問題なく使えます。
※売られている2SK170からランダムに拾った場合は、同じドレイン電流を流した時のバイアス値は150mVくらいのばらつきが生じるのでバイアス調整ボリュームには100Ωが必要です。そうなると温度特性が揃わなくなるのと、微調整がきかなくなります。2SK170は製造ロットが同じでも特性のばらつきは小さくなりませんので、実測による選別は必須です。
2SA1680(2段目差動回路)は、hFEが300以上のものを推奨します。頒布では300以上のものを選別しています。2SA1680がどうしても手に入らない場合は2SA966でなんとか代用できますが、hFEは200台にとどまりますので裸利得は若干低下し負帰還量が減ります。
2SC3964または2SD1694(電源部)はhFEが非常に高いのでどれでも使えます。2SC2421や2SC3422など、250mWのコレクタ損失に耐え、hFEが200程度の2SCあるいは2SDタイプで代替できます。その場合の値は回路図に赤で書き込んだとおり、±分割抵抗を3.3kΩ+3.9kΩから2.2kΩ+2.7kΩに変更してください。ここで使用するトランジスタによっても音が変化することはありません。
出力段の2SA1869/2SC4935(2SC4881/2SA1931)は、hFEが140未満のものは避けて、かつ左右で値が揃ったものを使用してください。なお、hFEは2SCよりも2SAの方が常に高めになるので、2SAと2SCが同じになる必要はありません。2SC4881/2SA1931の頒布は終了しましたので、現在は2SA1869/2SC4935を頒布しています。どちらのトランジスタを使っても仕上がりの特性は同じです。これ以外のパワートランジスタも使えますが、アイドリング電流の調整が必要になり、その方法はSEPP回路および半導体の基礎知識が必要になるので初心者には無理でしょう。
FETおよびトランジスタのリード線の接続は下図のとおりです。いずれも下から見た図(bottom view)です。たとえば、2SK170の場合は、印字面に向かって左からドレイン(D)〜ゲート(G)〜ソース(S)の順になります。2SA1680、2SC3964は、印字面に向かって左からエミッタ(E)〜コレクタ(C)〜ベース(B)の順ですが、2SA1931/2SC4881や2SA1869/2SC4935は左右が逆になります。この左右を間違えることが非常に多いので注意してください。
| 2SK170 |
2SA1680 |
2SC3964, 2SD1694, 2SC3421, 2SC3422 |
2SA1931/2SC4881 2SA1869/2SC4935 |
 |
 |
 |
 |
ダイオード、LED・・・出力段のバイアス用には、定格電流が2Aタイプの整流ダイオードのUF2010が適します。ダイオードの順電圧が出力段のアイドリング電流を支配しますので、頒布では順電圧が近いものを4個選んでいます。1N400Xシリーズや10DDA10などの1Aタイプでは、出力段のアイドリング電流が多くなりすぎるので使えません。PS2010RやPG2010も使えません。
UF2010は順電圧にかなりのばらつきがあるので、可能であれば順電圧が近いもので左右ペアを組むことを推奨します。2本直列にして使いますから、2本の合計値が近ければ十分です。順電圧の測定は、ダイオードモードがついているデジタルテスターで測定すれば足ります。順電圧は温度が1℃変わるだけで0.002Vも変動してしまうので、測定時には指の熱が伝わらないように、エアコンの風が当たらないようにしてください。
1S2076Aのところは定格電流が150mA以上あるシリコンダイオードであれば何でもOKで、1N400Xシリーズも使えます。LEDは、一般的な赤・橙・緑あたりを想定して約4mAで点灯するように設計してあります。明るさは3.6kΩの増減で調整できます。製作で使用したのはおなじみのスタンレーのPG3889Sです。何年も前に製造中止になりましたが若干の手持ちがあるので頒布しています。


(注)本機で使用する半導体類はすべて頒布があります。
抵抗器、コンデンサ、インダクタ・・・抵抗器は、回路図においてW数の記載のないものは1/4W型、それ以外は指定のW数のものを使ってください。0.47Ωおよび0.68Ωは1/2Wで十分なのですが、より小型のカーボン抵抗や金属皮膜抵抗は1Ω未満がないので1Wを使っています。1Ωと2.2Ωのカーボンあるいは金属皮膜抵抗を並列にすれば0.69Ωになりますから、そういう使い方でもかまいません。
フィルムコンデンサは、耐圧50V程度のポリエステル(マイラー)の通常タイプです。特に、470pFはかなり小型のものでないと隙間に入りません。積層セラミックコンデンサは、オーディオ信号を直接的に扱う回路で使うと音が変わってしまうので電源回路以外には推奨しません。積セラはスペースの都合で電源部で一か所だけ0.47μF〜1μFを使っています。アルミ電解コンデンサは通常品あるいは低ESRタイプを推奨します。オーディオ用として売られているものはサイズが大きいので基板スペースに入りきれませんし、ナチュラルな音にならないものが多く通常品がよろしいかと思います。アルミ電解コンデンサおよびインダクタのサイズの制約は以下のとおりです。
| 定格 | 直径 |
| 220μF/10V〜16V | 6mm以下 |
| 1000μF/16V〜25V | 11mm以下 |
| 3300μF/16V | 13mm以下 |
| 4700μF/16V | 17mm以下 |
| 150〜330μH/0.8A以上 | 11mm以下 |
インダクタは330μH/0.8Aタイプで11mm径のものを使用しましたが、220μH以上で電流容量が0.8A以上あり、直流抵抗が0.6Ω以下であれば問題なく使えます。電流容量が少ないと過熱して焼き切れます。直径が11mmよりも大きい場合は公開した基板パターンには収まりませんので、取り付け位置を変えるなりして工夫してください(秋月で扱っているものは13mm径です)。
リレー・・・必要なディレーを発生させるために、消費電流が少ない高感度型で9Vタイプのものを使用しました。秋月電子で扱っている「941H-2C-9D」が該当します。(頒布あり)
リレーの内部接続は右図のとおりです。コイルのDC抵抗値は冷却時で540〜570Ωくらい、動作時では590〜620Ωくらいに上昇します。8V以上かければ確実に動作し、消費電流は14〜16mAしか必要としない高感度タイプです。本機では8.5Vくらいで動作させています。接点は2系統あるのでこれを並列にして使い、信頼性を高めています。
12Vタイプの「941H-2C-12D」も使用可能ですが、その場合は電圧ドロップ抵抗を470Ωから390Ωに変更してください。
放熱器・・・本機で使用した放熱器はごく一般的な小型の簡易タイプです。若干の放熱効果が得られれば十分なので、トランジスタをケースなどに取り付けてもかまいません。
線材・・・本機で使用した線材は0.18sq(AWG24相当)です。0.2sqよりも太い線材を使うと、太すぎてラグ穴に入らない、ハンダ不良が生じやすいなどの問題が生じて仕上がりの品質が落ちます。平ラグの穴と穴とつなぐジャンパー線は、0.28〜0.3mmくらいでポリウレタンなどの表面処理をしていない銅線が適します。この銅線はホームセンターやamazonで扱っています。
ACアダプタ・・・使用したのは、秋月電子通商のDC15V/1.2Aタイプです。1次電圧が100〜120Vのものと100〜240Vとがあり、いずれも廉価ですがスイッチングノイズが少ない優れたACアダプタです。超小型のものはノイズが多いのでおすすめしません。(頒布なし)
ケース・・・ケースは、タカチ製HEN110420(pdfカタログ)を使用しました。サイズ(外形)は、幅11.15cm、高さ4.36cm、奥行き20cmです。図面だけで設計すると失敗するので、必ず部品の現物を当ててからレイアウトを決めてください。秋葉原では、奥澤やエスエス無線で購入できます。両店ともに電話orFAX一本で地方発送をしてくれます。(頒布なし)
<部品の頒布>
自作アンプですので、どんな部品を使い、どのように作るか、追加変更も全く自由です。しかし、地域によっては部品の入手が困難ですし、たとえ秋葉原が近くても同じ部品を買い揃えるのは困難です。本製作で使用した部品のうち、ACアダプタおよびケース以外のすべての部品は頒布がありますので気軽にご利用ください。
部品頒布ページ → http://www.op316.com/tubes/buhin/buhin.htm
<製作>
製作手順は以下のようにしたらいいでしょう。
- ユニバーサル基板・・・パターンのチェック・・・回路図と実際の配線のは見た感じはかなり異なるものです。本サイトの基板パターンで製作する場合は、いきなり基板パターンを見て作るのではなく、どんな基板パターンなのなかを学習してください。基板パターンを追ってそこから回路図を起こしてみる方法をおすすめします。おそらく、回路図とは似ても似つかない場所に部品が配置されていてびっくりされるでしょう。基板パターンの間違いが発見されることもあります。考えているうちにもっと良い基板パターンが思いつくこともあります。ですから、基板パターンからの回路図の逆作成は必ずやってください。
タカスのユニバーサル基板の使い方はこちらに重要な解説があります。ユニバーサル基板の一般的な使い方とは考え方が異なりますが、この基板パターンで製作する時に必要な知識であり、さまざまなメリットがあるので必ずお読みください。
- ユニバーサル基板・・・ジャンパー線の取り付け・・・ユニバーサル基板では、パターンをつなぐ線は銅箔がある下側に這わせるのが普通ですが、本機では上側を這わせています。こうすることで、実装密度を高められる、接触導通が良くなる、間違えた時のやり直しや部品の交換が容易・・・といったメリットが出ます。ジャンパー線には細めの0.28mm〜0.35mm径の銅線を使います。これを「コの字」型にしたものを基板の上から差し込んでからホチキスの針のように下側で折り曲げて固定します。最初にこの作業をやっておけば、あとは半導体やCR類は上から差し込んでどんどんハンダづけするだけで完成してしまいます。半導体やCR類は下側で折り曲げませんので、作業性が良いだけでなく、間違えた時の交換も非常に簡単です。
下図は電源部のみのパターンです。±電源のトランジスタ(2SC3964 or 2SD1964など)は印字面側に「←」を記入してあります。このパターン部分だけ作成して電源部の単体テストをやってから先に進んでください。
- ユニバーサル基板・・・ジャンパー線のハンダづけ・・・ハンダごては20〜30Wくらいのセラミックヒーター式で、こて先は細くテーパーした標準タイプを推奨します。細かい基板作業ですのでハンダは標準(1mm径)よりも細め(0.8mm)の方が作業性が良いです。ジャンパー線を通した穴には、ジャンパー線しか通さない穴と、ジャンパー線だけでなく同じ穴に後から半導体やCR類のリード線も同居する穴の2種類があります。ジャンパー線しか通さない穴は早い段階でハンダづけできます。
-
ユニバーサル基板・・・電源部の半導体やCR類の取り付け・・・次の電源単体のテストを視野に入れて、電源部の半導体やCR類を基板に取り付けてハンダづけします。本機の製作方法では、リード線は一切折り曲げずにまっすぐのまま穴に通してハンダづけできます。ほとんどの抵抗器は立てて取り付けますが、他の部品と当たらないように下の画像を参考にしながらひとつひとつ向きを考えてください。
- ユニバーサル基板・・・電源部単体テスト(重要)・・・暫定的に電源部とACアダプタをつないで単体テストを行っておきましょう(右画像)。これがOKになっていれば安心してアンプ部のテストができます。もし、アンプ部に配線ミスがあっても電源は正常だとして自信をもってトラブルシューティングができます。このテストをやらずに一気にすべてを組み上げてから動作の異常に出遭っても、一体どこが間違っているのかまず発見できません。(注意:右の画像は2016.2のマイナーチェンジ前のものですので、追加の1000μFがついていません)
・アースの導通確認・・・アースの各ポイントが相互に導通(ほぼ0Ω)があるかどうかチェックします。
・通電テスト・・・ACアダプタを取り付け、アースを基準にして、プラス・マイナスそれぞれの電源電圧が±約7.5Vであることを確認します。なお、プラス側とマイナス側の電圧が厳密に同じになる必要はありません。
・通電テスト・・・2SC3964(2SD1694)と220Ω1Wがともに熱を持っていることを確認します。
・330μHのインダクタの両端に生じる電圧は0.02〜0.03Vが正常です。
・このテストを省略した場合は、掲示板でのサポートは困難ですのでご注意ください。
- 出力段トランジスタへの放熱器の貼り付け・・・出力段トランジスタ(2SA1931/2SC4881 or 2SA1869/2SC4935)はラバーシートを挟んで小型の放熱器を取付けます。ラバーシートのかわりにシリコングリスを塗布してもかまいません。この時、放熱板が偏ってずれて取り付けられていると、基板に実装した時に隣接するダイオード(UF-2010)のリード線と接触してしまうので、取り付け位置には注意してください。
-
ユニバーサル基板・・・アンプ部の半導体&CR類の取り付け・・・立てて取り付ける抵抗器は、一方が胴体でもう一方がリード線ですから場所の余裕を考えて向きを決めます。適当な向きに取りつけてゆくと部品と部品が当たって入らなくなります。部品はすべて表面が絶縁されているので接触しても問題ありませんが、熱くなる部品の実装には若干の注意がいります。発熱部品の扱いは以下の通りです。
・2SK170・・・平たい面同士を密着させて2液混合タイプのエポキシ系ボンドで貼り付け、熱結合させる(右画像)。リード線は短くし過ぎると取付時に融通がきかなくなるので長めにしておく。
・2SA1931/2SC4881(2SA1869/2SC4935)・・・リード線が太くなっているところまで深く差し込んで取り付ける。リード線は基板裏側から1mm程度が出るくらいに切ってしまった方がハンダの乗りが良い。放熱器は他の部品と接触しないように。
・2SA1680と2SC3964(2SD1694)・・・リード線を長めにして基板や周囲の部品から離す。
・2SK170のゲートとつながる2.2kΩは2SK170に近い側に立てる。
・220Ω1W・・・かなり熱くなるので周囲のトランジスタやコンデンサには接触させない。
・UF2010・・・温度制御のセンサーなので2SA1931と2SC4881との温度的な距離は左右チャネルで揃えた方がよい。
・0.47Ω、0.68Ω1W・・・いずれも熱を出さないので周囲の部品と接触してもかまわない。
・コンデンサ・・・アルミ電解コンデンサもフィルムコンデンサも熱に弱いので発熱部品と接触させない。
・抵抗器・・・抵抗器自体は熱に強いので気にしなくてよい。
・Bass Boostスイッチへの線材を通す穴(赤丸、BBと記入)はハンダづけして埋めてしまわないように注意。
4個のダイオードの向きを1つでも間違えた状態で電源ONすると、パワートランジスタに大変な過電流が流れて壊れますので取付けの向きはしっかりチェックしてください。慎重を期する場合は、左右片チャネルごとに動作試験をしながら作業を進めるのがいいでしょう。
下図はアンプ部のパターンです出力段トランジスタ(2SA1931/2SC4881 or 2SA1869/2SC4935)は印字面側に「←」を記入してあります。★マークの0.68Ωは放熱器と接触しやすいので、リード線を抵抗器に密着させるようにして取り付ける工夫が必要です。

2016.2.8に改良を行った最新版の基板です。抵抗器の取り付け向きを考えて、部品同士が当たらないように、テスト時の電圧測定がしやすいように工夫していますので参考にしてください。
←改良前の基板
参考までに、アース(GND)とV+とV-が基板上のどこを這っているかを書き入れてみました。電源回路のコンデンサ周辺は大きな信号電流が流れるので、3本のアースラインを格子状につないで大電流が流れる領域のDCRを下げるように工夫しています。また、入力回路および負帰還回路周辺はところどころパターンをアースにつないでガード電極化し、周囲からの影響を受けにくくしています。

-
ユニバーサル基板・・・アンプ部のテスト・・・片チャネルの実装ができた段階でテストしておくことをおすすめします。(注意:右の画像は2016.2のマイナーチェンジ前のものですので、1000μFがついていません)
このテストでは、(1)配線に誤りがないことと回路が正常に動作することと確かめることから始まって、(2)温度的にどんな振る舞いをするかを確かめるところまでを行います。(1)については、通電して各部の電圧が大体合っていればOKです。(2)については温度が重要なので、ケースと同じくらいの大きさの紙箱に基板を密封して通電し、時間をかけて基板全体に熱がゆきわたるようにして測定します。
・最初に、プラスマイナス電源の電圧も確認して±7.4V前後を維持していることも確認します。出力トランジスタはそこそこ熱を持ちますので、放熱器は長い間手で触っていることができるかどうか、というくらいの温度になります。プラスマイナス電源の電圧がかけ離れている、放熱器が熱くならない、といった場合は配線ミス、ジャンパーの欠落、ハンダし忘れがあると思います。
・続いて「アース」と「スピーカー出力」との間にDCVレンジのテスターを当ててDCオフセット電圧を確認します。無調整の状態で±0.01V以内に落ち着いていればアンプ部全体のDC動作および負帰還の状態はほぼ正常とみていいでしょう。
・出力段のエミッタ抵抗(0.68Ω、どれでもよい)の両端電圧が測定できるようにDCVレンジのテスターを当てて電源ONします(右画像)。電源ON直後のアイドリング電流の初期値は110mA±25mAくらいなので、0.68Ωの両端の電圧は0.08V±0.02Vになり、出力段トランジスタが暖まるにつれてしばらくは上昇が続き、やがて基板が温まって近くにあるUF2010に熱が伝わるようになると徐々に下がってきて0.07V±0.02Vあたりで落ち着きます。この値は部品のばらつきによるものなので、左右で同じにはなりませんし、同じでなくても問題ではありません。0.1Vよりもはなはだしく高い場合は異常電流が流れていますので、電流値を素早く読み取って電源を切ってください。
・出力段の電流を把握するもうひとつの方法は、リレーの両側にあるプラス電源側の2個の0.47Ωの両端電圧が測定できるようにDCVレンジのテスターを当てて電源ONするというものです。0.47Ωには初段+次段の電流も加わって合計で160mA±30%くらいが流れますので、両端の電圧は0.08V±30%になるのが正常です。
・最後に、DCオフセット電圧をある程度追い込んでおきましょう。10Ωの半固定抵抗器をまわすとDCオフセット電圧がすこしずつ変化しますので、3mV以内になるように仮調整しておきます。半固定抵抗器を回してから電圧が安定するまでにしばらく時間がかかります。
・回路内の電流および電圧は気温でゆるやかに変化し一定ではありません。室温が25℃未満の場合は、15Ωの両端電圧は「0.92V」よりも低くなり、左側の220Ωの電圧は「-0.6V±0.5V」よりもかなり低い値になります。測定結果が許容範囲内にあるならばあまり神経質にならないことです。基板をケース内に入れたらDCオフセットは変化しますから、今追い込んでも意味がありません。また、数mV程度のDCオフセットが生じていてもスピーカーに悪影響を与えることは全くありません。
- 穴あけ加工する。(参考ページ・・・http://www.op316.com/tubes/tips/k-hole1.htm)
- ケースに実際の部品や基板を当てて位置決めをするのが確実です。頭で考えて製図だけで決めるとバランスが悪かったり、部品同士が当たってしまったりして失敗しやすいです。
- パネルは傷がつきやすいのでテープを貼るなどして養生すること。(前面パネル面に見苦し傷がついたら泣きますよ)
- 下の画像は試作機の様子です。底面にはPart2の時に開けた3.4mm径の小さな穴が残っています。基板を固定するビスの位置がPart2の時に取り付けたゴム足とかぶってしまったので、ゴム足の邪魔にならないように専用工具で円錐状にえぐって皿ビスを埋め込んでいます。新規に穴加工する場合はゴム足の位置をうまくずらすなど工夫してください。
- 基板がそこそこ熱を持つので上下に通風口を開けました。上面の穴はパワートランジスタの真上に開け、底面の穴は2SK170側にずらすことで、ケース内で初段から出力段に向かって気流が生じるようにしてあります。

- ボリューム関係の加工・・・ボリュームシャフトを適当な長さに切断します。密閉されていない構造のボリュームのシャフトを切る場合は、切屑が内部に入らないように注意してください。ツマミ穴の内側にバリが出てシャフトがスムーズに入らない場合は、細い丸やすりで内側を削って通りを良くします。ボリュームへの配線は、端子側に長めに切った配線材をつなぐ下処理をしておくと後が楽です。
- 組み立て配線の下準備=線出し・・・基板や部品を取り付ける前に、線材をつなぐ下準備をしておきます。基板から出る線材はすべて先に基板側につないでおかないと話になりません。音量調整ボリューム、DCジャックなど、部品を取り付けてからでは配線しずらいものも先に線材をつないでおきます。線は捻じると短くなってしまうのでけちけちしないで十分に長めにします。
- ヘッドホンジャックの下処理・・・本機の音をヘッドホンでも聞いてみたいので、スピーカーとの切替えスイッチをつけたヘッドホンジャックを追加します。ヘッドホン出力には抵抗器2本によるアッテネータを割り込ませてスピーカーとの音量感を揃えますが、その抵抗器はヘッドホンジャック側に取り付けます。左右の区別がわかりにくいのであらかじめジャックにL/Rを書き込んでおくと迷うことがありません。なお、画像についている抵抗器のカラーコードは本機と同じではありません。




- 構造部品および基板の取り付け
- ボリューム、LED、電源スイッチ、BassBoostスイッチ、スピーカー端子、入力RCAピンジャック、DCコネクタをパネルに取り付ける。
- LEDは、エポキシ系の充填性のあるボンドでパネル裏側から固めてしまう。リード線が長すぎるので切断することになるが、同じ長さに切ってしまうとどちらが「+」なのかわからなくなる。切る時は元の長さを参考にして「+」側が長くなるようにしておく。
- ボリュームのシャフトがパネルと電気的に接触して導通していることを確認する。(導通がないとノイズが出る)
- スペーサを使って基板をシャーシに取り付ける。
- アースラインについて
- アースライン1・・・入力のRCAジャック〜音量調整ボリューム間。RCAジャックのところでシャーシ(後面パネル)と接触させてシャーシアース・ポイントにしていますので、RCAジャックの取り付けでは絶縁しません。RCAジャック〜音量調整ボリューム間は1本の線でつなぎます。
- アースライン2・・・音量調整ボリューム〜基板入力間も1本の線でつなぎます。
- アースライン3・・・基板出力〜ヘッドホンジャック間も1本の線でつなぎます。
- アースライン4・・・基板出力〜スピーカ端子間は、1本にして左右共通でもかまいませんが、エチケットとして左右に分けて2本としました。
- 配線を仕上げる。
- 取り付けた部品間の配線を仕上げる。
- すべてのアース間で導通があり、シャーシとも導通していることを確認する。
ケースに実装した時の参考画像です。ケースに入れてあるのが試作基板で、外に出ているのが改良前の基板です。回路図と異なる点というと、Part2の実装を流用したので電源スイッチにスパークキラーがまだついていないことでしょうか。

<確認と調整>
電源電圧の変動について
本機は、15Vを最適値として、14.5V〜15.5Vの範囲の電源電圧に合わせて設計してあります。15Vからかけ離れるほど所定の性能が出なくなります。特に高い電圧では、性能が劣化するだけでなく部品の温度が許容値を超えてしまうのでおすすめしません。
各部の電圧
回路図内に書き込んだ各部の電圧は、基板をケース内に組み込んでしばらく動作させ、基板全体が温まった時の値です。室温が低い状態でケース解放で測定すると、表記から少々ずれた値になります。
DCオフセット調整
「最終的なDCオフセットの調整」では室温および回路周辺の気温がとても重要です。寒くなっても暑くなってもDCドリフトが小さくなるためには、中間的な気温で調整しておくのがベストですので、まず基準となる室内の温度を決めて室温が一定になるようにエアコンなどをセットします。アンプ内の温度は室温よりもわずかに高めになりますから、室温をやや高めに設定した状態で調整しておくといいでしょう。
本機をケースに入れて通常の空気の流れになるようにして電源を入れ、1時間程度放置してアンプ全体の温度を落ち着かせます。DCVレンジにセットしたデジタルテスターで「アース〜スピーカー端子間」の電圧を測定し、電圧が1mV以下になるように半固定抵抗器をまわして調整します。しばらくすると電圧が動いてきますので再度調整し、これを何度か繰り返します。廉価なテスターですと1mV以下の電圧が測定できないものがあります。その場合は0〜3mVくらいの範囲に入っていればよしとします。アナログテスターは鈍感すぎて十分な調整ができませんので、必ずデジタルテスターをご用意ください。
なお、頒布の2SK170ペアを使い、回路が正常に動作している場合は、DCオフセットは±10mV以内の調整可能範囲内に収まります。±10mVを大きく超えた場合は別のどこかに異常がありますから、10ΩVRで調整しようとしても無駄ですしやってはいけません。
出力段のアイドリング電流の監視
出力段のアイドリング電流は、2個の0.68Ωの両端電圧(つまりエミッタ〜エミッタ間の電圧)を測定して、その結果を1.36で割って計算で求めます。どちらか1個の0.68Ωの両端電圧を測って0.68で割ってもかまいません。本機にはアイドリング電流の調整機能はつけていません。アイドリング電流はUF2010と2SA1931/2SC4881(2SA1869/2SC4935)の相性および気温、冷却の状態などで変化し一定ではありません。ダイオードおよびトランジスタの個体差があるため、アイドリング電流は70mA〜140mAくらいの範囲(0.68Ωの両端では50mV〜90mV)でばらつきますが十分に許容範囲です。
ダイオードの順電圧が高いほど、パワートランジスタのhFEが高いほどアイドリング電流値は大きくなります。できるだけ左右でばらつきが少なくなるように順電圧で選別したダイオード、hFEが揃ったトランジスタを頒布していますが、それでも左右で揃うわけではありません。アイドリング電流のこの程度の違いはさしたる問題ではありません。
温度上昇とデバイス間の熱結合について
半導体回路では、回路を構成するいくつかの半導体を熱的に結合(要するに密着)させることで温度特性を安定させるという方法をとります。本機では、初段の2SK170のみ厳密な熱結合をさせており、出力段は基板に伝導熱と周囲温度の変動によるゆるやかな結合にとどめています。
トランジスタは温度が高いほどhFEが高くなるのでアンプとしての特性は良くなります。本機では出力段トランジスタの温度上昇を計算にいれて設計してありますので出力段トランジスタの冷やし過ぎは禁物です。指で触って「あちち」と感じるくらいがベストです。
実験してみよう
本機は、半導体アンプの温度的な性質を理解するための格好の教材でもあります。動作中の各部の電圧を測定しながら、エアコンやドライヤーなどを使ってアンプの各部に冷風や温風を当ててみてください。半導体というものがいかに温度によって特性が変化しやすいか、本機がどのようにして温度的な安定を確保しているのかが体験できます。
<特性>
ミニワッターらしからぬパワーの出る、静かなアンプに仕上がりました。電源ON/OFF時のポップノイズ対策回路は全くついていませんがほんのわずかしか出ません。温度特性も非常に安定しています。測定結果は以下のとおりです。
- 利得: 5.8倍(8Ω負荷、1kHz)
- 最大出力: 1.6W(THD=1%、8Ω)、2.2W(THD=1%、4Ω)。
- 消費電流(2SA1931/2SC4881の時): 無信号時=約0.37A±20%、最大出力時=約0.63A±20%(8Ω)、約0.95A±20%(4Ω)at DC15V。
- 消費電流(2SA1869/2SC4935の時): 無信号時=約0.41A±20%、最大出力時=約0.65A±20%(8Ω)、約0.97A±20%(4Ω)at DC15V。
- 残留雑音: 19μV(帯域80kHz)
- DCドリフト: 2mV以下(周囲温度変化10℃あたり)
周波数特性はご覧のとおりです。下は十分に伸びており、上はきれいに減衰した素直な特性です。

歪み率特性は下図左のとおりでPart3よりもかなり良い数字になりましたが、10kHzにおける歪みはやや多くなっています。歪みの傾向は2kHzあたりから増加しはじめ、周波数が高くなるほどに増えてゆきます。この問題を解消するために2017年5月〜7月に調査と再設計、改修を行いました。左側が改修前、右側が改修後のデータです。改修の内容は、冒頭の全回路図と記事中に赤で書き入れてあります。
改修前(左)/改修後(右)
左右チャネル間クロストーク特性は下図右のとおりで、こちらも低域側でPart3よりもかなり良くなっています。

消費電流は以下のとおりとなりました。片チャネルのみの消費電流と、両チャネル分の消費電流にリレー回路や±電源回路の電流を加えた全体の値です。4Ω以下の負荷で両チャネル連続最大出力試験をしない限り、0.8AタイプのACアダプタで足りますが、可能なら1.2Aタイプを推奨します。A級動作をしているのはグラフが水平の領域です。8Ω負荷では0.06Wくらい、4Ω負荷では0.03Wくらいが純A級とAB級の境界になります。


<とりあえず感想など>
どうやらこのアンプは期待した以上の音を出してくれたようです。少しずつ改良を重ねて今日に至りました。
音数が多く広帯域で明快な音です。半導体アンプによくあるつやつやすっきりしてきれいだけど引っ込んだ感じ、というのではなくミッドローがちゃんと前に出ます。センターも決まる方だと思いますし、ローエンドもしっかり出ます。というわけで、文句ないですね。廉価に手軽に作れますから、騙されたと思って1台手元に置いてみるのもよろしいかと思います。
残留ノイズは皆無といってよく、きわめて静粛なアンプになりました。電源ON/OFF時のポップノイズは非常に少ないですが完全に無音ではありません。電源スイッチ操作のタイミングによってはかすかに音が出ることがあります。もちろん、この程度のポップノイズは全く問題はありません。
ヘッドホンアンプとしてみた場合、なかなか豊かな鳴りっぷりだと思います。FET差動ヘッドホンアンプV4と同傾向の音ですが、あちらがカチッとモニター的な鳴り方であるのに対して、本機の方がおおらかな気がします。
ライバルは6N6P全段差動ミニワッター2012/2014でしょうか。定位感や中低音の密度はあちらに譲るものの、余裕あるローエンドはこちらに分があります。
<応用-2,3>
このトランジスタ式ミニワッターPart4は、ライン入力を2系統に増やしてあります。スイッチ類はすべてパネル側に配置しました。左側に並んで置いてあるのは同時に製作したトランス式DACです。
ウィーンフィルのヴァイオリニスト氏が、同僚が所有するミニワッターツアラーPart4を聞いて「この音が気に入ったので練習室で使いたい」と言ってきたので、演奏旅行に持って行かないのならもうちょっとしっかりとしたものがいいでしょう、と申し上げてこの2台を製作してウィーンに送ったのが2016年のお正月明けのことです。
2016年5月には、ほぼ同じものを製作してベルリンにも送りました。オーナーになるのは男前の若いチェリストですが、素晴らしい演奏が世界的に評価されてさる団体からストラディヴァリウスを貸与されている逸材です。



<応用-1>
トランジスタ式ミニワッターPart4にトランス式DACを組み込んでみました。DACで使用したトランスが600Ω:3kΩで昇圧比が低く、DAC側の出力信号レベルが1.24V(0dBFS)であるのに対してCDプレーヤなどの外部ソースは2Vのものが多いので、ライン入力側に12kΩと43kΩ(50kΩVRと合わせて23kΩになる)による-4dBのアッテネータをかまして両者の信号レベルを揃えています。アッテーネータの4本の抵抗器は、基板上リレーの手前の隙間に割り込ませました。600Ω:7〜10kΩのトランスを使う場合はアッテネータは不要です。
実装でひとつ失敗をやりました。AKI.DAC基板はケース下側、トランスはLPFとケース上側、そして入力セレクタスイッチはパネル下側であるため、組み立てがものすごく面倒です。AKI.DAC基板はトランスを同じくケース上側に配置すべきでした。タムラのこのトランスは20mm径の丸穴を開けて専用の丸板を使って取り付けますが、ケース側が肉厚であるためトランスの端子とケースの穴の縁とが接触しそうになります。そこで、ケースの穴のエッジを斜めに削って接触しにくくなるように工夫しています。パネルの文字はレーザービームプリンタ用の耐水透明シールを使いました。境界の線がはっきり出てしまいますが、密着性が良いのでよく使います。
本機は、長年愛用してきたRogers LS3/5Aとともに某オーケストラのマネージャ氏にプレゼントしました。


