半導体式ミニワッターもいよいよPart3です。制約だらけで無理を承知のスタートでしたので「音が出ればいいや」くらいに思っていたのですが、はからずもアンプとしてかなりいい線をいくものになってしまいました。しかし、次から次と問題が生じたため実用性のあるレベルに持ってゆくのにはかなりの時間がかかりました。
Part2との違いは、±電源を採用することによってスピーカー出力とシリーズに入っていたコンデンサを取ったことです。相変わらずトランジスタの数は少ないし、部品点数も限界まで減らしていますが、オーディオアンプとして一人前の機能とスペックを持ち、定位感も改善され、実用レベルの音を出します。そのために基本を守りつつ、そこここでセオリー破りをしてみましたので、どうかお楽しみください。
なお、本機は回路とスピーカーとの間に異常電流を遮断するコンデンサがないため、配線ミスやハンダ不良、部品の逆向きの取り付けなどが起きやすい全くの初心者にはおすすめしません。また平ラグの配線の難易度も高めなので、シンプルであるとはいえ緻密な部品配置と実装の工夫がいります。
<コンセプト>
半導体式のシンプルパワーアンプのPart3の「表」コンセプトはこのようになりました。Part3は赤字のところがPart2と異なります。
- 最大出力は約1W。
- 電源は700〜800円程度のACアダプタを使う。
- 増幅回路はオーソドックスな2段構成。
- 出力コンデンサをなくした±2電源方式OCL。
- それでもトランジスタはチャネルあたりたったの5個、両チャネル+電源で合計11個(最終的には12個)。
- OPアンプなどのブラックボックスは使わない。
- 老眼でもつらくないように平ラグで作れる。
- しかも、ステレオの全回路が20Pと15Pの平ラグ2枚に載る。
- 実用性のあるかなりまともな音を出す。
- 製作費はできるだけお財布に優しく、節約すれば8,000円くらいから、少々贅沢をしても12,000円+α程度。
アンプとしてのパワーの規模感は変わらずに回路が少々複雑になっただけです。また、同種の半導体アンプに比べるとあいかわらず極端にすくない部品数で構成してあります。出力コンデンサをなくすということは、回路全体のDC安定をどのようにして確保するのか、そしてスピーカー端子におけるDC電圧のオフセットの発生やドリフトをどれだけ抑えられるのかが課題となります。さらに、電源ON/OFF時のポップノイズの問題もあります。専用の機能ユニットを追加したり部品点数を増やせばなんてことはありません。しかし、限りなくシンプルな構成やひとつの部品に複数の機能を持たせる工夫をしてこれらを解決しつつ上記のコンセプトでやりくりするわけですから、非常に面白いアンプになりました。その結果、パワーこそ小さいもののその他の物理特性は申し分なく、かつ電源ON/OFF時のポップノイズは非常に小さく、DCドリフトも一般的な室温動作で±3mV以内です。
<OCLアンプとは>
トランジスタ式ミニワッターのPart1やPart2は、出力段とスピーカーとの間に出力トランスはありませんがDCカットのためのコンデンサがあります。スピーカーを駆動する部分から出力トランスをなくした回路のことをOTL(Output Transformer-Less)アンプといい、コンデンサがない回路のことをOCL(=Output Capacitor-Less)アンプといいます。本機はOCLアンプです。
OCLアンプでは、出力端子のDC電位をいかにアースと同じ0Vに保つかが、アンプの音響特性とは別の課題として浮上してきます。出力端子の対アース電位が0Vにならないことをオフセット(offset)が発生するといいます。オフセットとは、基準となるある点からの相対的な位置(ずれ)という意味です。DCオフセットの問題は、出力端子をできるだけ0Vの近づけるということと、室温の変化などの影響を受けずにその状態を維持し続けることの2つの要求があります。調整時に限りなく0Vに追い込めたとしても、動作させているうちにドリフト(DC安定の流動)が生じてしまっては困ります。しかし、半導体や電子部品は例外なく温度変化の影響を受けて特性が変化してしまうので、これを巧妙に打ち消して抑え込むメカニズムも組み込まなければなりません。
<設計試作苦労話>
私がアンプなどを作る時は、いきなり完成をめざすのではなくだめもとで何度も試作を繰り返し、徐々に回路を練ってゆく方法をとります。試作したものを実際に動作させ、測定・試聴してみると、思わぬことが起きていたり、試作機を聞いているうちにさまざまなことに気づきがあります。時として、考え方を根底から変させられてしまうようなことも起こります。
トランジスタ式ミニワッターPart3は、制約だらけで最初から設計が難航しました。課題にぶつかるたびに少々機嫌が悪くなり、黙って考え込むことが多かったのですが、ふとしたことで「こうすればいいじゃないの」みたいなひらめきが何度もあり、なかなか楽しい時間を過ごしたともいえます。
こうした紆余曲折の一部始終をまとめたのがこちらです。
<最終回路図・・・のはず>
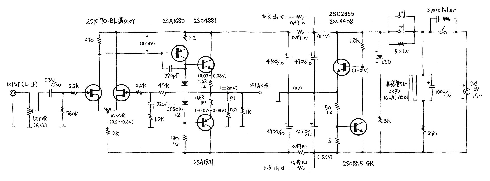
試作機をベースにさまざまな課題を解決して、最終的に決定した回路がこれです。電源部は左右共通、アンプ部は片チャネル分です。(左リックで拡大、右クリックでコピー&ダウンロード)

この回路をブロック図にすると以下のようになります。

入力部 ・・・ 入力端子とアンプ入力との間には50kΩ(Aカーブ)の音量調整ボリュームがあり、回路としてはごく普通の構成になっています。アンプ入力のところにある0.33μFのコンデンサは、ソース機材でDCオフセットが生じていた場合の防衛用です。本機のアンプ部は利得1のDCアンプですので、ソース機材側にDCオフセットがあった場合、このコンデンサがないとそのオフセットはスピーカー出力に出てしまいます。このコンデンサを省略することはできません。
初段増幅回路 ・・・ 2SK170を使った差動増幅回路です。ドレイン電流は約1.5mAで、この時のgmは15くらい、ドレイン負荷は実質310Ωくらいです。単純計算では15×0.31kΩ=4.65倍になりますが、特性カーブの傾きなどいくつかのロスのせいで実際の利得は4倍あるかないかくらいです。さらに差動回路の片側からの取り出しなので1/2となり、初段利得は2倍程度ということになります。両ゲートに入れてある2.2kΩは差動回路で起きやすいコルピッツ発振防止用です。共通ソース側は定電流回路ではなく抵抗1本(2kΩ)で済ませています。もっとも、平ラグの端子数の制約からここに定電流回路を入れるなどという凝ったことはできません。ここに定電流回路を入れてしまうと、後述する温度補償が却って難しくなります。何故、初段にバイポーラ・トランジスタを使わなかったかですが、高周波帯域の安定度確保が格段に難しくなることが主たる理由で、もうひとつの重大な理由は回路が複雑化してラグ端子が足りなくなるから・・・(笑)。
次段増幅回路 ・・・ コレクタに180Ωの抵抗負荷を与えた普通のエミッタコモン増幅回路で、基本的にPart1、Part2と同じですが、使っているトランジスタがNPNタイプ(2SC4408)からPNPタイプ(2SC1680)に変更になっています。これは、初段にはNch型のJFETを使わなければならない(2SJ74などのPch型のJFETはもはや入手できない)という事情があるためです。エミッタ側に入れてある2.2Ωは、飽和動作時の間欠発振防止と入力インピーダンス低下防止の2つの目的があります。本回路のような、バイポーラトランジスタを使った低負荷・大電流の増幅回路はとにかく広帯域になってしまうので、帯域が広くなりすぎるのを抑制するためにベース〜コレクタ間に390pFを入れてあります。
出力段SEPP回路 ・・・ 出力段はダーリントン接続にしていない1段だけのSEPP-OTL回路です。使用したトランジスタ(2SA1931/2SC4881)も回路定数もPart1、Part2と全く同じです。ベースバイアスは出力段のアイドリング電流と相談しながらカットアンドトライでシリコンダイオードのUF2010に決めました。10DDA10やIN400Xといった他のダイオードでは過電流になってしまい具合が良くありません。本来、このダイオードは出力段トランジスタに密着させて温度的に結合させるべきものですが、そのようにしなくても温度的に十分安定なので平ラグ上に取りつけています。出力段のアイドリング電流は110mA±15mAで周囲温度およびダイオードUF2010の個体差の影響を受けて若干柄変動します。
出力部 ・・・ 負荷が完全にオープンになると回路全体の利得が上昇するために、特に高い周波数で安定度が低下し、場合によっては発振してしまいます。スピーカーは数kHz以上ではインピーダンスがどんどん高くなってゆくので、スピーカーがつながっていても無負荷に近い状態になります。出力のところにある0.1μFと120Ωは、負荷がオープンになった時でも高い周波数で一定の負荷がかかった状態を維持するためのものです。実装ではラグ端子節約のためにスパークキラーで代用しています。負荷と並列の1kΩが何のために入れてあるか・・・これはなかなかわからないかもしれません。本機のような回路で電源OFFした直後は、出力端子側は一瞬ですがアースに対してマイナスになります。そのマイナスの過渡電圧は負帰還のところにある220μFを充電し、やがて回路全体の電圧が下がってゆきます。回路図をよく見ていただくとわかりますが、220μFに溜まった電荷の逃げ道はスピーカーのボイスコイルしかありません。スピーカーをつながない状態で本機の電源をON/OFFすると、220μFには一定の電荷が溜まったままになってしまい、いつまでも消えません。それを逃がすのが1kΩの役割です。(もっとも、この1kΩを省略しても実害はほとんどないと思いますが、回路設計のエチケットとしてちょっと配慮してみたのでした)
負帰還回路 ・・・ 4.7kΩと1.2kΩによるβ=0.203の負帰還定数を設定していますので、最終利得は5倍弱になるはずです。220μFのアルミ電解コンデンサにはDC電圧はかからないことになっていますが、電源のON/OFFを繰り返した際、このコンデンサにはゲート側がマイナスになる電圧が一時的ではありますが繰り返し印加されますので、このような極性にしてあります。
Bass Boost回路 ・・・ 本機は負帰還回路のところに若干の追加改造を行うことでBass Boost回路を追加することができます。回路は右図のとおりです。スイッチがONの時はBass BoostはOFFになり、スイッチがOFFになるとBass BoostはONになります。
下の表は回路定数です。原回路のまま改造したのがBass Boost1の回路定数です。必要部品は部品頒布リストにも追加してあります。0.22μFや0.15μFとした場合の全体の回路定数をBass Boost2とBass Boost3に挙げておきました。いずれの場合もBass Boostの効果は同じです。
| Bass Boost1 | Bass Boost2 | Bass Boost3 |
| R1 | 1.2kΩ | 1.8kΩ | 2.4kΩ |
| R2 | 4.7kΩ | 6.8kΩ | 10kΩ |
| R3 | 6.2kΩ | 9.1kΩ | 13kΩ |
| C1 | 0.33μF/50〜100V | 0.22μF/50〜100V | 0.15μF/50〜100V |
実際の配線では、平ラグ上の4.7kΩを撤去し、そこから線を2本引き出して別にラグ板や基板を使ってR2、R3、C1を実装してください。ここから先は難しくありませんから各自で工夫してください。
電源回路 ・・・ 12Vの単一電源のACアダプタを使う都合から、擬似±2電源としています。OPアンプなどを使う場合の擬似±2電源は抵抗2本による分割で十分な場合もありますが、本機では過渡電流の吸収とDCドリフトを打ち消すために、トランジスタを2個使ったちょっと変則的な回路になっています。これについては詳しく後述します。アンプ側への電源供給はプラス側・マイナス側ともに0.47Ωを介して左右チャネルに振り分けた上で、左右ごとに4700μFで接地してあります。このコンデンサはスピーカーを駆動するオーディオ信号の流れ道であって、リプルフィルタのためではありません。LED点灯は12Vから3kΩで約3.4mAを供給しています。電源のON/OFFは、本来的にはACアダプタのAC100V側で行うのがお作法ですが、一応DC側にも電源スイッチを取り付けてあります。DC回路の開閉の場合、スパークキラーはスイッチと並列に入れます。
<部品>
FET、トランジスタ・・・初段2SK170BLは、できるだけバイアス特性が揃ったペアを使ってください。ソース側のバイアス調整ボリューム(10Ω)による調整範囲はめいっぱい回し切っても15mVくらいしかありませんので無選別の2SK170は全く使えません(※)。
※売られている2SK170からランダムに拾った場合は150mVくらいのばらつきが生じるのでバイアス調整ボリュームには100Ωが必要です。そうなると温度特性が揃わなくなるのと、微調整がきかなくなります。2SK170が製造ロットが同じでも特性のばらつきは小さくなりません。
2SA1680(出力段)はhFEが270以上のものを推奨します。
2SC4408(電源部)はhFEが120以上で電流容量が1A以上の小型パワートランジスタなら大概のものが使えます。2SC2236-O/Yランクや2SC2655で十分に代替できます。ここで何を使っても音に影響はありません。当初2SC4408を使いましたが廉価で入手容易な2SC2655に変更しました。
2SC1815はGRランクであればOKですが、hFEは高めのものを推奨します。hFEが低いYランクでは±電圧に偏りが生じます。VBE特性に精密に合わせて設計してありますので、他のトランジスタを使うと±電源の電圧が設計値にならないことがあります。
出力段の2SC4881/2SA1931はhFEが140未満のものは避けて、かつ左右で値が揃ったものを使用してください。なお、hFEは2SC4881よりも2SA1931の方が常に高めになるので、2SAと2SCが同じになる必要はありません。本機で使用する半導体類はすべて選別品の頒布があります。
FETおよびトランジスタのリード線の接続は右図のとおりです。
いずれも下から見た図(bottom view)です。たとえば、2SK170の場合は、印字面に向かって左からドレイン(D)〜ゲート(G)〜ソース(S)の順になります。
2SA1680、2SC4408、2SC2655、2SC1815は、印字面に向かって左からエミッタ(E)〜コレクタ(C)〜ベース(B)の順ですが、2SA1931/2SC4881は左右が逆になります。これを間違えることが非常に多いので注意してください。
ダイオード、LED・・・出力段のバイアス用には、定格電流が2Aタイプの整流ダイオードのUF2010が適します。1N400Xシリーズや10DDA10などの1Aタイプでは、出力段のアイドリング電流が多くなりすぎるので使えません。LEDは、一般的な赤・橙・緑あたりを想定してあります。明るさは3kΩの増減で調整できます。(頒布あり)
抵抗器、コンデンサ・・・抵抗器は、回路図においてW数の記載のないものは1/4W型、それ以外は指定のW数のものを使ってください。入力のコンデンサ(0.33μF)と位相補正コンデンサ(390pF)は耐圧50V以上の通常のフィルムコンデンサでOKです。アルミ電解コンデンサは通常品を指定します。オーディオ用として売られているものはサイズが大きいので平ラグに入りきれませんし、音に癖がつくものが多いのであまりおすすめしません。(頒布あり)
リレー・・・必要なディレーを発生させるために、消費電流が少ない高感度型で9Vタイプのものを使用しました。秋月電子で扱っている「941H-2C-9D」が該当します。6Vタイプや12Vタイプでは適したものがありませんでした。(頒布あり)
リレーの内部接続は右図のとおりです。コイルのDC抵抗値は冷却時で540Ωくらい、動作時では若干上昇します。8V以上かければ確実に動作し、消費電流は15〜16mAしか必要としない高感度タイプです。接点は2系統あるのでこれを並列にして使い、信頼性を高めます。
放熱器および放熱両面テープ・・・本機で使用した放熱器はとても小型で、半導体などに熱伝導性のある両面テープで貼り付けるタイプのものです。つけてもつけなくても大して変わりがないくらい非力なものですが、これをつけると出力段のトランジスタの温度が数℃低下し、アイドリング電流が15%ほど減ります。放熱器なしではちょっとつらいので、形式は問いませんので小型の放熱器をつけてやってください。接着面はかなりの高温になりますので、貼り付けに使う両面テープに普通の両面テープは使えません。(頒布あり)
線材・・・本機で使用した線材はすべて0.18Ssq(AWG24相当)です。0.2sqよりも太い線材を使うと、太すぎてラグ穴に入らない、ハンダ不良が生じやすいなどの問題が生じて仕上がりの品質が落ちます。平ラグの穴と穴とつなぐジャンパー線は、0.3〜0.55mmくらいでポリウレタンなどの表面処理をしていない銅線が適しますが、1/4W型抵抗器のリード線の切れ端でもOKです。銅線はたいていのホームセンターで扱っています。(頒布あり)
ACアダプタ・・・使用したのは、秋月電子通商のDC12V/1Aタイプです。1次電圧が100〜120Vのものと100〜240Vとがあり、いずれも廉価ですがスイッチングノイズが少ない優れたACアダプタです。超小型のものはノイズが多いのでおすすめしません。(頒布なし)
ケース・・・ケースは、タカチ製HEN110420(pdfカタログ)を使用しました。サイズ(外形)は、幅11.15cm、高さ4.36cm、奥行き20cmです。20Pのラグ板に加えてボリュームやスピーカー端子を入れようとするとぎりぎりのサイズです。図面だけで設計すると失敗するので、必ず部品の現物を当ててからレイアウトを決めてください。秋葉原では、奥澤やエスエス無線で購入できます。両店ともに地方発送をしてくれます。(頒布なし)
<部品の頒布>
自作アンプですので、どんな部品を使い、どのように作るか、追加変更も全く自由です。しかし、地域によっては部品の入手が困難ですし、たとえ秋葉原が近くても同じ部品を買い揃えるのは困難です。本製作で使用した部品のうち、ACアダプタおよびケース以外のすべての部品は頒布がありますので気軽にご利用ください。
部品頒布ページ → http://www.op316.com/tubes/buhin/buhin.htmの中のここです。
<製作>
製作手順は以下のようにしたらいいでしょう。
- 平ラグのパターンおよび工程計画を作成する。
- このページ(http://www.op316.com/tubes/tips/k-lug.htm)をしっかり読む。
- 平ラグのパターンシート(http://www.op316.com/tubes/tips/data/20p-large.pdf)をダウンロードする。
- 本サイトの回路図と平ラグパターンを見ながら自分で描いてみて、頭に入れる。
- 平ラグの端子穴ごとに作業手順が違うので、どんな手順でハンダづけしてゆくか考える。
- 穴あけ加工する。(参考ページ・・・http://www.op316.com/tubes/tips/k-hole1.htm)
- 本サイトの加工図面を参考にしつつ、各部品および作成したユニットをケースの実物に当てて穴あけ位置を決定する。
- パネルは傷がつきやすいのでテープを貼るなどして養生すること。(パネル面に傷がついたら泣きます)
- ユニット取り付けにT-600(貼り付け式)を使う場合はラグ板の取り付け穴は不要。
- ボリューム関係の加工。
- ボリュームシャフトを適当な長さに切断する。
- ツマミ穴の内側にバリが出てシャフトがスムーズに入らない場合は、細い丸やすりで内側を削る。
- ボリュームへの配線は、端子側に長めに切った配線材をつなぐ下処理をしておくと後が楽。
- リレーの下準備。
- リレーの各端子をつなぐ配線と8.2Ω1Wの取り付けを済ませておく。
- 下の平ラグパターンのうち、赤線で囲んだ電源部のみ平ラグユニットを作成し、通電試験を行う。
- まず、穴と穴をジャンパー線でつないでおく。ジャンパー線は0.3〜0.5mmの銅単線か抵抗器のリード線の切り落としなどを使う。
- 部品を取り付けてハンダづけする。1つの穴に複数の線が集ま場合は、ハンダづけは1回で済むように手順を工夫する。
- トランジスタの向き(裏・表)やダイオードの向きを間違えないように・・・。
- 周囲とつなぐ線を長めに引き出しておく。
- 電源部のみの通電試験を行う。
- 電源をONにすると、0.5秒以内にリレーがカチリと音をさせて作動し、
- アースを基準にして、プラス側・マイナス側がほぼ6Vずつに分割されていることを確認する。
- アンプ部の平ラグユニットを作成する。
- まず、穴と穴をジャンパー線でつないでおく。ジャンパー線は0.3〜0.5mmの銅単線か抵抗器のリード線の切り落としなどを使う。
- 部品を取り付けてハンダづけする。1つの穴に複数の線が集ま場合は、ハンダづけは1回で済むように手順を工夫する。
- 20P平ラグのセンターの穴を固定するスペーサは、配線する前取り付けておいた方が作業がやりやすい。穴と周囲のラグとが接近しているので、接触事故にならないように工夫する。
- トランジスタの向き(裏・表)やダイオードの向きを間違えないように・・・。
- 部品を取り付け際、アルミ電解コンデンサなどがケースに収まるかどうかをチェックしておく。
- 周囲とつなぐ線を長めに引き出しておく。
- 部品の取り付け。
- ボリューム、LED、スイッチ、スピーカー端子、入力RCAピンジャック、DCコネクタをパネルに取り付ける。
- LEDは、エポキシ系の充填性のあるボンドでパネル裏側から固めてしまう。リード線が長すぎるので切断することになるが、同じ長さに切ってしまうとどちらが「+」なのかわからなくなる。元の長さを参考にして切る時も「+」側が長くなるようにしておく。
- ボリュームのシャフトがパネルと電気的に接触して導通していることを確認する。(導通がないとノイズが出る。菊座金を使うと接触が確保しやすい。)
- アンプユニットをシャーシに取り付ける。
- 配線を仕上げる。
- 取り付けた部品間の配線を仕上げる。
- リレーは、平ラグとをつなぐ配線を終えてから、両面テープでシャーシに貼り付けるという手順にするとスムーズ。
- Bass Boost回路は、すべてのCR類を6Pトグルスイッチに取り付けて空中配線にするか、CR類は7P立てラグなどに取り付けるなどいくつかの方法が考えられます。お使いのシャーシの都合を考えながら工夫してください。
- すべてのアース間で導通があり、シャーシとも導通していることを確認する。
参考画像です。平ラグが、音量調整ボリュームや端子類が接触しないように位置関係を工夫してあります。ご覧のとおり、電源スイッチを前面パネルに配置するスペースはありません。もっとも、本機のようなACアダプタを使ったアンプでは、スイッチ付きのテーブルタップなどを使ってACアダプタごと電源をON/OFFするのがお約束ですから、前面パネルに電源スイッチをつける意味はありません。(左リックで拡大、右クリックでコピー&ダウンロード)
(画像は古いままです)
(画像は古いままです)
ケースの穴あけ加工図は以下のとおりです。メインシャーシの加工では底面側からドリルを当てるので、底面からみた図にしてあります。各パネルは前後ともに表側から見た図ですので、左右に注意してください。上面パネルの図がありませんが、メインシャーシと同じ位置に通風孔が開けてあります。なお、本機程度の消費電力では、通風孔は開けなくても(密閉でも)大丈夫です。(左リックで拡大、右クリックでコピー&ダウンロード)

平ラグのパターン図は以下のとおりです(左リックで拡大、右クリックでコピー&ダウンロード)。
FETおよび小型トランジスタのシルエットは上からみた形状です。パワートランジスタは、横線がある方(2SC4881)が表で、線なし(2SA1931)が裏です。リード線の出し方については、前述した図面で確認してください。接続を間違えると音が出なかったり部品が壊れることがあります。アルミ電解コンデンサおよびダイオードの極性は間違えないようにご注意ください。図の左上の±電源部分は非常に混み合いますので、作業手順をよく考えて配線してください。線材が太いと穴に入らなくて失敗します。リレーは、逆さにして普通の両面テープでケースに貼り付けます。

重要:出力段のバイアス用の2個のダイオード(UF2010)の向きは決して間違えたり、付け忘れたりしないでください。ハンダ付けも確実にしてください。逆向きに取り付けたり接触不良の状態で電源をONにすると、出力トランジスタに過電流が流れて異常に高温になって破壊したり、抵抗器が燃えたり、ACアダプタが壊れます。私はこのミスをPart2でやりましたが、出力トランジスタは無事だったものの、焦げ臭いニオイがして、ACアダプタの内部ヒューズが切れて廃棄となりました。Part3も同様ですのでご注意ください。
周辺との接続は以下のとおりです。
・IN(L)とIN(R) ・・・ 左右それぞれに音量調整ボリュームにつなぎます。
・LED(+)とLED(-)LED ・・・ LEDとつなぎます。LEDは長いリード線が「+」です。
・DCJ/SW+ ・・・ 電源スイッチを経てDCジャックの+側につなぎます。
・DCJ/- ・・・ DCジャックの-側につなぎます。
・SP+(L)とSP+(R) ・・・ 左右のスピーカー端子の+側につなぎます。
・SP+(L)とSP+(R) ・・・ 左右のスピーカー端子の-側につなぎます。
平ラグに取り付けない部品は以下のとおりです。
・アンプの出力のところの1kΩ×2 ・・・ スピーカー端子間に取り付けます。
・電源スイッチのところのスパークキラー ・・・ 電源スイッチの端子に取り付けます。
・リレー ・・・ 両面テープでシャーシに貼り付けます。
アースの配線は下図のとおりで、平ラグ上の7つのポイントをつないでいる黒い線のとおりにつないでください。左上の「※」がアースの集中ポイントですので、3本の線を束にして穴に突っ込んでハンダづけしたらいいでしょう(0.2sqよりも太い線だと穴に入りませんのでご注意)。スピーカー端子のアース(Cold)側は図の黒い□マークから取ります。シャーシへのアースは、入力のRCAジャックのところで取っています。「V-」側の配線は、緑色の□の3点をつないでください。

<調整>
組み立て中の試験運転
「組み立て中の試験運転」では以下に述べるような厳密な気温のコントロールは必要ありません。そうした配慮なしでもDCオフセットは±数mVくらいの範囲に収まると思いますので、その状態でスピーカーをつないで音出しをしてもかまいません。スピーカーはそれくらいのDCオフセットで痛んだりしませんので、神経質になりすぎることはありません。
±電源電圧の変動について
本機の±電源の電圧の配分は周囲温度によって変化します。気温が非常に低い時は+6.0V、-6.0Vくらいですが、温まってくると+6.1V、-5.9Vという風に変化します。夏場の暑い時です+6.3V、-5.7Vくらいにもなってきます。そういう設計なのだということはよく理解しておいてください。なお、部品には個体差がありますので大体それくらいの電圧であればOKです。
電源電圧は、わざと変化させることでDCオフセットを打ち消しており、変化してあたりまえであり変化するのを止めてはいけません。そのへんのカラクリについてはこちらをお読みください。
DCオフセット調整
「最終的なDCオフセットの調整」では室温および回路周辺の気温がとても重要です。本機の場合、DCオフセット電圧は、気温が高くなるとプラスにずれ、気温が低くなるとマイナスにずれる性質があります。寒くなっても暑くなってもDCドリフトが小さくなるためには、中間的な気温で調整しておくのがベストですので、まず基準となる室内の温度を決めて室温が一定になるようにエアコンなどをセットします。アンプ内の温度は室温よりもわずかに高めになりますから、室温をやや高めに設定した状態で調整しておくといいでしょう。
本機をケースに入れて通常の空気の流れになるようにして電源を入れ、1時間程度放置してアンプ全体の温度を落ち着かせます。本機の温度補償は、周囲温度によるゆるいつながりで制御する考え方です。DCVレンジにセットしたデジタルテスターで「アース〜スピーカー端子間」の電圧を測定し、電圧が1mV以下になるように半固定抵抗器をまわして調整します。調整を行った周囲温度から離れるにつれて徐々に電圧がずれてきます。
廉価なテスターですと1mV以下の電圧が測定できないものがあります。その場合は0〜2mVくらいの範囲に入っていればよしとします。アナログテスターでは調整できませんので、必ずデジタルテスターをご用意ください。
出力段のアイドリング電流は、2個の0.68Ωの両端電圧(つまりエミッタ〜エミッタ間の電圧)を測定して、その結果を1.36で割って計算で求めます。本機にはアイドリング電流の調整機能はつけていません。アイドリング電流はUF2010と2SA1931/2SC4881の相性および気温、冷却の状態などで変化し一定ではありません。ダイオードおよびトランジスタの個体差があるため、アイドリング電流は80mA〜130mAくらいの範囲でばらつきますが十分に許容範囲です(ばらつきが少なくなるように順電圧で選別したものを頒布しています)。
温度上昇とデバイス間の熱結合について
半導体回路では、回路を構成するいくつかの半導体を熱的に結合(要するに密着)させることで温度特性を安定させるという方法をとります。本機ではあえてそのようなことをしておらず、周囲温度の変動によるゆるやかな結合にとどめています。もし、しっかりと熱結合させたいのであれば以下のようにしてください。
(1)DCオフセットのドリフトを抑える・・・差動回路の2個の2SK170を密着させ、さらに左右どちらか一方の2SA1680と電源回路の2SC1815とを密着させる。こうすることでDCオフセットの反応が早くなります。但し、2SC1815の温度が高くなりVBEが設計値よりも下がってしまうため、マイナス電源の電圧が設計値よりも低下し、その分プラス電源の電圧は高くなります。
(2)出力段の温度安定を高める・・・2個のUF2010をそれぞれ2SC4881と2SA1931に密着させます。但し、これをするとアイドリング電流が減少してA級動作領域が狭くなるので歪が増えます。また、出力段トランジスタの温度が下がるのでhFEが低下し、それによっても歪が増加します。(耳で聞いてわからない程度の僅差ですが)
トランジスタは温度が高いほどhFEが高くなるのでアンプとしての特性は良くなります。本機では出力段トランジスタの温度上昇を計算にいれて設計してありますので出力段トランジスタの冷やし過ぎは禁物です。指で触って「あちち」と感じるくらいがベストです。
実験してみよう
本機は、半導体アンプの温度的な性質を理解するための格好の教材でもあります。動作中の各部の電圧を測定しながら、エアコンやドライヤーなどを使ってアンプの各部に冷風や温風を当ててみてください。半導体というものが、いかに温度によって特性が変化しやすいか、本機がどのようにして温度的な安定を確保しているのかが体験できます。
<試作機の特性>
測定結果は以下のとおりです。
- 消費電流: 無信号時=約330mA±20%、最大出力時=約0.45A(8Ω)、約0.65A(4Ω)at DC12V秋月のACアダプタを使った場合のAC100V側の消費電力=5W
- 利得: 4.7倍(8Ω負荷、1kHz)
- 残留雑音: 17〜18μV(帯域80kHz)
- DCドリフト:3mV以下(周囲温度変化10℃あたり)
周波数特性はご覧のとおりです。左右ではきれいに一致しました。グラフにはありませんが、1MHz以上ではそのまま素直に減衰しており、階段やピークのない安定した特性です。高域側の-3dBの減衰ポイントは500kHzです。

歪み率特性は下図左のとおりで、Part2に比べてさらに低歪みになりました。下図右はダンピングファクタです。アンプ部は利得1のDCアンプですので低い周波数になるほど内部抵抗は低下(D.F.値は上昇)します。20Hz以下でそのきざしが見えています。

<音の感想など>
トランジスタ式ミニワッターは、Part1からpart2へ、さらのPart3(本機)と発展し、音もよくなってきていると思いますが、音の評価は人それぞれなのでここでは私の主観を述べるにとどめます。
音の存在感や定位の良さは真空管式の全段差動PPミニワッターの方が優れていると思います。全段差動特有のあの音楽的に鳴らす感じというのを半導体アンプで出すのはなかなか難しいです。半導体アンプは刺激的な音、平板な音になりやすいですが、本機はそういった問題はクリアできたと思います。半導体アンプ的でない耳障りでない心地よい鳴り方をします。全段差動PPミニワッターと比べて本機の方が優れているのは超低域側のレンジの広さでしょうか。こういう余裕のあるローエンドはリソースを投入した真空管式PPアンプでもなかなか出せないように思います。