
DC24Vバージョンの電源電圧を上げて許容入力の制約をなくしたのが本機です。トランジスタ式PHONOイコライザ DC24Vバージョンは、一定の制約の中で十分な実用スペックを確保しつつ廉価かつ簡単に製作できること目標としていますが、許容入力が低いのでSHURE M44-7のような高出力のカートリッジには適さないという弱点がありました。ACアダプタは手軽に電源を構築できますが、コンセントを占拠して邪魔だし通電しっぱなしが嫌だという意見もあるでしょう。DC24Vバージョンは回路としては十分に良く出来ているので基本回路は同じですが、AC100Vバージョンでは電源電圧を高くしたことによる副産物としてより低歪みとなりました。
<全回路図>
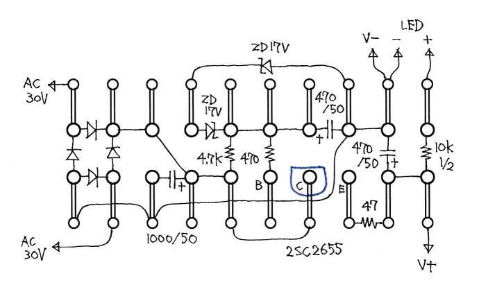
2018.7.31現在の本機の全回路は以下のとおりです。初作は2SA872A/2SC1775Aを使いましたが、続いて2SA970/2SC2240を使ったものも作りました。回路定数と各部の電圧が少しだけ異なります。<2SA872A-E/2SC1775A-E>・・・その1
<2SA970-BL/2SC2240-BL>・・・その2
<2SA1015-GR/2SC1815-BL>・・・その3
<共通>
<基本的な考え方>
DC帰還をかけたPNP-NPN直結の差動2段増幅回路で、電源電圧以外の基本部分はDC24Vバージョンから変更なしです。たった4個のトランジスタによる簡単な回路ですが、何かをケチッたわけでなく、個々のトランジスタには比較的無理のない動作条件を与えることができています。半導体アンプは、1990年くらいから構成する半導体素子数が増加傾向にあり、今や1つの片チャネルのアンプで半導体を10個〜20個ほども盛るのが当たり前のようになってきました。何故半導体の数が増えたのか、そこにはいろいろな理由が絡み合っていると思います。増幅部分の負荷を軽くしたいということでフォロワ回路やSEPP回路を追加する、帯域特性を広げるためにカスコード回路にする、利得を極大化するために定電流負荷を構成する、それを維持するためにカレントミラーが追加される、対称回路に魅力を感じると半導体数は一気に2倍に膨れる・・・等々。
しかし、その回路の増幅動作の核心部分を見るといずれも反転×2段の非反転増幅器であることに変わりはなく、増幅機能の重要部分を担っている半導体素子は2個が基本で多くてもせいぜい4個です。そんな基本的で簡素な構成だけではまともな物理特性は得られない、というのであれば半導体を追加して周辺を固めなければならないでしょう。しかし、個々の増幅素子の動作条件を丁寧に追い込んでゆけば、そんなに半導体を盛らなくてもかなりの問題は解決でき、見劣りすることのない物理特性を得ることはできます。本機はそのような考え方をベースにして、増幅機能の核心を支える4個のトランジスタだけで構成しています。
<差動2段>
3段目としてエミッタフォロワなりSEPPなりを追加すればとりあえずの設計は簡単になりますが、高周波領域の安定を損なう要素が増えるのであえてシンプルな2段構成としました。そのおかげで使用するトランジスタの自由度が増し、誰が作っても高い再現性があります。3段構成にしていたら難しいアンプになっていたでしょう。しかし、3段構成としなかったことで十分な利得や直線性を得るための最適化が難しくなったので、各段の動作のよさげなポイントを模索しています。PSPICEでは動作の内部の詳細まで追えないので、手作りのシミュレータを組み、さらに実機を組んで得た実測データをシミュレータにフィードバックして修正するという手順を踏んでいます。特に、2段目のトランジスタのhFEが回路動作の雌雄を決するので手持ちの2SC1775AのhFE値のばらつきを考慮しつつ、hFE=480〜600の範囲でチューニングしました。
差動回路を使うか使わないかによって2つの大きな違いがあります。一つ目は、差動回路を使った方が大きな利得が得られることです。但し、回路定数を間違えると逆に利得は下がってしまいます。コレクタ電流とhFEと入力インピーダンスと利得の4つを睨みながら、何度も計算を繰り返して最適化を行います。その様子は利得のところで詳しく解説します。
差動回路の共通エミッタ側は、初段・2段目ともに定電流回路ではなく抵抗器1本で済ませています。初段のコレクタ電流は210μA、2段目のコレクタ電流は3.28mAです。この電圧配分のまま初段のコレクタ電流を増やすと利得は更に増やせますので、そのような選択肢もありだと思います。初段は十分な位相反転機能が要求されるので、共通エミッタ側は定電流性が求められます。幸いにして十分高い電圧が得られているので30kΩという高抵抗値を入れることができたため定電流回路は省略できました。2段目の共通エミッタ側は電圧の余裕がなく240Ωという低抵抗であるため十分な定電流性は得られませんが、初段とはすでに平衡化された結合になっているため位相反転機能は要求されません。たった240Ωでも十分に役目を果たしてくれます。
2段目のコレクタ負荷抵抗は両方に取り付けています。出力を取り出す側が4.7kΩで、取り出さない側が4.3kΩとアンバランスになっているのには理由があります。2段目のコレクタ電流の設計値は、左側が3.28mAであるのに対して右側は3.35mAでわずかですが右側の方を多くしてあります。こうしておくと温度変化や電源電圧の変化などで差動バランスが崩れた時でも左側のコレクタから取り出せる最大振幅が低下するのを回避できるからです。しかし、右側のコレクタ負荷抵抗を4.7kΩにしてしまうと、左側がフルスィングしようとした時に右側の2SC1775Aが飽和して足を引っ張ります。これを回避するために右側のコレクタ負荷抵抗を減らして4.3kΩとしてあるわけです。
2段目C-B間の位相補正なしの状態では動作が不安定になり高周波ノイズが増えたり高周波帯域で発振します。DC24Vバージョンでは22pFとしましたが、本機の裸利得はかなりアップしたので33pFに変更しています。
入力インピーダンスは実測で49kΩ(at 1kHz)です。入力のところの62kΩと270kΩによる値は50.4kΩですが、初段差動回路の入力インピーダンスが1.8MΩくらい(at 1kHz)なので合成すると49kΩになります。負帰還量が少なくなる低域では入力インピーダンスはわずかに低下し、100Hzでは48.5kΩ、20Hzでは46.8kΩです。
<コレクタ電流問題>
トランジスタを使って2段構成のPHONOイコライザを設計しようとすると、常に悩むのが2段目のコレクタ電流の値をどうするか、という問題です。イコライザ素子は周波数が高くなるほど負荷が重くなるので、コレクタ負荷抵抗を小さくしてコレクタ電流を多く流したい。しかし、コレクタ電流を増やすと2段目の入力インピーダンスが下がってしまうので、初段の利得が低下します。これまでの経験から、コレクタ負荷抵抗の値は4.7kΩあたりが具合がいいことが私の答えです。
有効電源電圧=28.8Vとして4.7kΩのDCロードラインを引いてみます。電源電圧は±15.2Vで30.4Vですが、2段目の240Ωの電圧はロスになります。実際には、4.7kΩに加えてイコライザ素子と後続のアンプの入力インピーダンスが加わりますからロードラインの角度が変わります。
イコライザ素子の1kHzのリアクタンスは56kΩくらい、10kHzでは11kΩくらいです。後続のアンプの入力インピーダンス=50kΩとすると、総負荷は1kHzで4kΩ、10kHzでは3.1kΩになります。負荷が重い10kHzで振幅が大きく取れるような動作ポイントを探すと、13〜14V、3.0〜3.5mAあたりが見つかります。これが13.4V、3.28mAとしたことの根拠です。
<利得>
この回路定数での利得は、初段が14.6倍、2段目が395倍ですので全体では5770倍になります。DC24Vバージョンは4400倍でしたから、1.3倍に増えています。1kHzにおける最終利得は105倍としているので、低域端の利得の余裕は約6倍ということになります。そのため、DC24V版と比べると低域での歪が減るだけでなくRIAAイコライジング特性にも影響があるので見直しが必要です。2段目の負荷を4kΩとして利得を計算してみます。コレクタ電流は3.28mA、エミッタに2.2Ωが入っていますから395倍です。次は2段目の入力インピーダンスを求めます。2SC1775AのhFEが実測で530でしたので、入力インピーダンスは5.37kΩです。初段のコレクタ負荷抵抗が11kΩですから、初段の負荷は3.61kΩです。初段のコレクタ電流は210μAなので利得は14.6倍です。
2段目のエミッタに入れた2.2Ωを撤去すれば、2段目の利得は20%ほど大きくなりますが、入力インピーダンスが20%下がるので初段の利得は下がります。エミッタ抵抗が0Ω、2.2Ω、4.7Ωの3つの場合の比較をしてみました。
ご覧の通りで、エミッタ抵抗の値によって初段の利得と2段目の利得は逆の動きをします。コレクタ電流の取り方、コレクタ負荷抵抗の値等々、同じ回路であっても設計者が違えば選ぶ値も違ってきます。この場所には抵抗を入れないで最大利得を狙うのが普通ですが、大振幅時に寄生発振を生じることがあるので、確実を期するためにあえて入れてあります。
エミッタ抵抗 コレクタ負荷 2段目の利得 入力インピーダンス コレクタ負荷 初段の利得 利得合計 0Ω 4kΩ 504倍 4.2kΩ 3.04kΩ 12.3倍 6200倍 2.2Ω 4kΩ 395倍 5.37kΩ 3.61kΩ 14.6倍 5770倍 4.7Ω 4kΩ 314倍 6.75kΩ 4.18kΩ 16.9倍 5310倍 <使用したトランジスタ>
日立製2SA872A/2SC1775Aを使ったもの(その1)と、東芝製2SA970/2SC2240を使った(その2)の2種類を製作しました。どちらもディスクリート部品時代の最後を飾るオーディオ用低雑音トランジスタです。2SA872Aと2SC1775AはともにEランク(hFE=400〜800)、2SA970と2SC2240はともにBLランク(hFE=350〜700)を使いました。2SA872Aと2SA970のhFEは初段の入力インピーダンスの決定要素ですが負帰還のおかげで無視できるくらいの高入力インピーダンスを得ています。しかしあまり低い値は好ましくないので250以上が望ましいです。特にhFE値が重要な2SC1775Aと2SC2240は、hFE=530±10%のものを選別しています。2段目トランジスタのhFE値は利得を決定する要素なので、この値を下回るとRIAAイコライジング特性の低域端で減衰が生じます。
2SC1775Aと2SC2240はベース〜エミッタ間電圧が異なります。本機の動作条件では、2SC1775AのVBEが0.635Vであるのに対し、2SC2240は0.595Vとかなり低いため、同じ回路定数のままでは2段目のコレクタ電流にアンバランスが生じます。この違いを調整しているのが初段プラス電源側に入れた4.7kΩと5.6kΩの抵抗です。
コレクタ電流の最大定格を比べると2SC1775Aは50mAで2SC2240は100mAで2倍の違いがありますが、hFEが低下しないコレクタ電流の上限で比べると3倍以上の差があります。これはコレクタ〜エミッタ間飽和特性の違いとなって現れます。2SC2240の方がコレクタ〜エミッタ間飽和電圧が低いので、最大出力電圧でみると2SC2240の方が有利になるだろうと思います。
2SA1015-GR/2SC1815-BL版の回路を追加しました。2SA1015はBLランクがないので選択肢はGRしかありませんがGRで問題ありません。2段目はhFEの高さが要求されるので2SC1815-BLが必須です。2SC1815はVBEが高いので全体のDCバランスの修正が必要だろうと思います。回路図中に目標値(赤で囲んだところ)を書き込んであります。「推定値」と書いた抵抗値で調整してください。→製作された方によると4.3kΩになったそうです。この値でいいでしょう。
<RIAA素子と利得の設計>
RIAA素子は「56kΩ//1380pF+910kΩ//4700pF」としました。回路上のCRから求めたRIAA特性を決定する時定数は以下の通りです。この負帰還素子と680Ωの組み合わせで、1kHzにおける利得はほぼ105倍になります。75μS: 1380pF×56kΩ=77.3μSNF型のRIAAイコライザでは、元のアンプの利得が無限大に大きく、かつ仕上り利得が1000倍以上であるならば、3つのRIAA時定数は「3180μS、318μS、75μS」のとおりに設定することで規定どおりの特性が得られます。しかし、現実のアンプの利得は有限ですし仕上がり利得は100倍前後としますので、規定どおりの時定数で製作すると正確なイコライジング特性は得られません。
318μS: (1380pF+4700pF)×(56kΩ//910kΩ)=320.7μS
3180μS: 4700pF×910kΩ=4277μS一般に75μSはやや大きめに、3180μSはかなり大きめに設定します。本機でも同様の調整を行うことで±0.2dBという正確なイコライジング特性を得ています。
<電源部>
電源電圧は22.4V(±11.2V)から30.4V(±15.2V)にアップしました。1970年頃の許容入力競争の時代には、100mVを確保するために電源電圧が40Vくらいのものが数多く登場しました。それを実現するために耐圧が50V以上の低雑音トランジスタが数多く開発されたくらいです。本機では75mV程度の許容入力が得られればよしとしますので設計しやすい30Vとしましたが、回路定数を見直せば40Vくらいまで高くすることが可能です。プラス・マイナス合わせて合計30.4Vに対して最大出力電圧は7.7V(10.9Vpeak)ですので、電源電圧利用効率は72%です。電源トランスから整流して約40Vを得て、それを安定化しつつ30Vまで下げてアンプ部に供給することにしました。40Vの根拠は、廉価に入手可能な小型の電源トランスに、東栄変成器製のJ-1501W(P:100V、S:15V0.1A×2)があるからです。お値段はたったの821円(2018.8現在)です。
0-15Vタップが2つついているのでこれを直列にしてAC30Vを得ます。ブリッジ整流してDC20mAほどを取り出すと整流出力電圧はDC41Vくらいになるのでちょうどいいのです。消費電流が少ないので、整流ダイオードには小型のガラスタイプの高速スイッチングダイオード(100V、0.3A)を使いました。
AC100V電圧の不規則な変動の影響を受けたくないのでツェナダイオードとトランジスタ1個による簡易型の安定化電源を組み込みました。本機は電源の安定化については格別高性能である必要はありません。AC100Vの変動を考慮すると整流出力電圧は39V〜43Vくらいの幅になるため、最低の39Vに対して5Vの余裕をみてツェナ電圧は34Vとします。34Vの電圧は17V×2または16V+18Vのツェナダイオードを2個直列にして得ています。ここで使用するトランジスタは、耐圧が50V以上、コレクタ損失が800mW以上、hFEが100以上のものが適します。比較的入手しやすいものとしては、2SC4408、2SC3421、2SC2655、2SC2235あたりがあります。
プラスマイナスの分割は抵抗2本による擬似プラス・マイナス電源です。分割抵抗に流す電流は1mAですが、これで十分に機能します。プラス側、マイナスが側それぞれに150Ωの抵抗で左右チャネルに振り分けて供給しています。
残留リプルについて検証しておきましょう。AC30Vをブリッジ整流して20mAほどを取り出し、整流直後に1000μFを与えた時の残留リプルを計算すると40mVくらいになります(計算方法はこちら)。実測値は計算どおりの40mVとなりました。続くトランジスタ式のリプルフィルタの2SC2655のベースのところの残留リプルは、4.7kΩと470μFによるフィルタ効果で30μVくらいになります。
2SC2655のエミッタ側には47Ωと970μF(470μFと直列になった1000μFの合成容量)による3番目のリプルフィルタがあり、残留リプルは1μV近くまで低下します。この段階で残留リプルの大きさは十分すぎるほどに減っています。なお、これくらいの値になると実測での検証確認はできません。
その1:2SA872A-E、2SC1775A-E・・・日立が開発したオーディオ用のトランジスタで音が良いことで広く知られましたが、残念なことにすでに製造中止となりました。コレクタ〜エミッタ間飽和電圧(VCEsat)が高いので低電圧使用には適しませんが、そこを押して採用しました。十分な利得とイコライザの精度を確保するために、2SC1775AはhFEが480〜600で左右揃ったものが望ましいです。2SA872AについてはhFE値に厳密な要求はなく250以上あれば十分です。その2:2SA970-BL、2SC2240-BL・・・東芝が開発したオーディオ用のトランジスタで製造中止後も最近まで流通していましたが、いよいよ手に入りにくくなりました。2SA872Aや2SC1775Aと比べるとコレクタ電流が多くてもコレクタ〜エミッタ間が飽和しにくくなっています。十分な利得とイコライザの精度を確保するために、2SC2240はhFEが480〜600で左右揃ったものが望ましいです。2SA970についてはhFE値に厳密な要求ははなく250以上あれば十分です。
その3:2SA1015-GR、2SC1815-BL・・・東芝が開発した小信号汎用トランジスタで製造中止後も入手可能です。低雑音トランジスタとは書かれていませんがじつは2SA872A/2SC1775Aよりもローノイズです。2SA1015はBLランクがないのでGRを使いますが問題ありません。セカンド・ソース品も出回っておりこれらも使えます。
2SC2655-Y・・・hFEが120以上のYランクを採用しました。電源のリプルフィルタは、耐圧>50V、コレクタ損失>800mW、hFE>100であれば大概のトランジスタが使えます。
整流ダイオード・・・低圧&小電流なので、耐圧=100V、順電流=0.3Aのファーストリカバリダイオード1N4148(=1N914)を使いました。他の整流ダイオードも問題なく使えます。
ツェナダイオード・・・17Vタイプのツェナダイオード(ルネサス HZ-18-1)を2本直列にして必要なツェナ電圧=34Vを得ています。34Vが得られればいいので電圧の組み合わせは問いません。
RIAA素子・・・J級の汎用品(ポリエステルやポリプロピレン)のフィルムコンデンサを組み合わせています。
コンデンサ・・・アルミ電解コンデンサは通常品を使いました。入出力の結合コンデンサにはDC50〜100V耐圧のメタライズド・フィルム・コンデンサを使いました。位相補正用の33pFは印加する電圧によって容量が変動しないRPタイプの積層セラミックコンデンサです。
抵抗器・・・1/4Wおよび1/2W金属皮膜抵抗器を推奨します。
ユニバーサル基板・・・当サイトではおなじみのタカス製IC-301-72です。
ケース・・・底板付のグレー塗装のアルミBOX、コンパクトに仕上げるならLEADのP202(W230×H50×D100)ですが、スペースに余裕を持たせるならP-102(W250×H50×D100)が適します。作例はすべてP202を使いましたがP102の方が電源トランスを遠くに置けるのでハムをさらに減らせますのでP102を推奨します。
電源トランス・・・東栄変成器製のJ-1501W(P:100V、S:15V0.1A×2)です。DC15mA〜20mAを取り出した時の整流出力が40V〜42Vのトランスであれば他のモデルでも使えます。
◆部品頒布のご案内はこちらです。→ http://www.op316.com/tubes/buhin/buhin.htm
<基板・平ラグパターン>
本製作は以下の基板パターンと平ラグパターンです。2SA872E+2SC1775Eを想定して4.7kΩがついていますが、2SA970-BL+2SC2240-BLを使用する場合は5.6kΩに置き換えます。基板の実装で注意していただきたいのは、2段目トランジスタ(2SC)のC-B間の33pFのコンデンサと2.2Ωのエミッタ抵抗の取り付けです。スペース的に上下に重なっているので、先に33pFを取り付けて、後からリード線を長めにした2.2Ωが33pFをまたぐように取り付けてください。なお、2.2Ωのリード線は少々長くなっても特性や回路の安定度には影響はありません。
←位相補正コンデンサをまたいでいる2.2Ω。(DC24V版より)
<ケース加工>
使用したケースはLEAD製のP202(W230×H50×D100)ですが、2cm長いP102(W250×H50×D100)を推奨します。いずれもただの底板付きのアルミBOXですが、仕上げが丁寧で塗装もきれいです。1mm厚なので加工も容易です。実物を当てながら位置決めしたらいいでしょう。電源トランスはできるだけ基板から離してください。上面に8個のビス頭が出て目立つので、丸く平たいトラスビスを使いました(その1、左下)。実際に作ってみるとケース上面のビスが少々目障りな気もするので、ビスが見えないようにしたものを作りました(その2、右下)。その場合は、アンプ部基板と電源部平ラグの取り付けには貼り付け式ボス(タカチ製T-600)を使い、重量がある電源トランスは底板側に引越します。部品頒布では、どちらの仕様にも対応できるように両方を用意しました。
<実装>
特に難しいものはありません。適当な金属ケースにRCAジャック、アース端子、DCジャックなどを取り付け、電源部と基板を収めたら各部を線材でつなげば完成です。入出力の信号ラインはシールド線を使っていませんが、これで所定の約90μVの雑音性能を得ています(シールド線を使ってもノイズの大きさは変化しません)。ここにシールド線を使うと入力容量が発生してしまうので、MMカートリッジを使った時に高域側にピークが生じるだけでなく、高域側のレンジが狭くなります。AC100Vケーブルの始末はPHONOイコライザー・アンプ 12AX7 Version2と同じ方式で、ケースの外を這わせることで電源ケーブル由来のハムの影響を回避しています。
←その1:電源スイッチとヒューズホルダーが近すぎた。
←その2:貼り付け式のボスで基板を固定し、電源トランスを底板側に移動。
<シャーシアースと配線>
アースについては若干の注意がいります。RCAジャックのアースは、入力側と出力側を分離しています。入力側はケースと接触させ、出力側は絶縁してケースとは接触しないようにしてあります。入力側と出力側の信号ラインはアース線に接近させてあります。特に入力側でこれを怠ると外部からの誘導ハムを拾いやすくなります。アース端子は入力側のRCAジャックのところでまとめています。底板の取り付けビスはケース付属のものではなく、円錐形の丸皿ビスで締め付けて「底板〜丸皿ビス〜ケース本体」が確実に導通するように配慮しています。
特性の測定結果は以下のとおりです。
入力インピーダンス: 49kΩ(1kHz)電源電圧を高くしたことで十分な許容入力を得ています。許容入力に関してはこちらの記事「アナログレコードの基礎3」を是非お読みください。RIAAイコライジング特性も正確で偏差の線が0dBラインと重なって区別がつかなくなってしまいました。
利得: 105倍(47kΩ負荷、1kHz)
最大出力電圧: 6.4V(THD=0.1%)、7.7V(THD=0.3%)at 100Hz〜10kHz、47kΩ負荷・・・2SA872A/2SC1775A
最大出力電圧: 7.2V(THD=0.1%)、8.7V(THD=0.3%)at 100Hz〜10kHz、47kΩ負荷・・・2SA970/2SC2240
許容入力: 75mV(THD=0.5% at 100Hz〜10kHz)・・・2SA782A/2SC1775A
許容入力: 83mV(THD=0.5% at 100Hz〜10kHz)・・・2SA970/2SC2240
RIAA偏差: ±0.2dB(20Hz〜20kHz、47kΩ負荷)
残留雑音: 75μV〜100μV(帯域80kHz)
消費電力: 2W以下
歪み率特性をみると2SA872A/2SC1775Aと2SA970/2SC2240とでは微妙な違いに気づきます。最大出力電圧の違いは2SC1775Aと2SC2240の飽和特性の違いによるものです。飽和特性が優れた2SC2240の方が最大出力付近で有利になっています。
![]()
2SA872A/2SC1775A(左)、2SA970/2SC2240(右)左右チャネル間クロストークはとても優秀です。ほとんど残留雑音を測定しているようなもので、信号の漏れらしきものは5kHz以上の帯域でかすかに現れます。
(測定条件:反対側チャネルにおいて周波数にかかわらず出力=5.0V一定となるようにして測定しています)
完成後は、アルミ電解コンデンサの漏れ電流が落ち着いて音が安定するまで少々の通電時間を要します。音の傾向はDC24Vバージョンと変わらず、バイポーラトランジスタらしいワイドレンジ感とキレの良さを感じます。S/N比も十分に高く静粛なアンプとなりました。
使用したトランジスタの違い(2SA872A/2SC1775Aと2SA970/2SC2240)は、人によっては認識できるだろうと思いますが、私にはよくわかりませんでした。加齢とともにそういうことはどうでも良くなってきたように思います。
消費電流の割りに電源のコンデンサ容量が大きいので、電源をOFFにしてもしばらくの間音が出続けていてLEDが消灯するまでに時間がかかります。外見はただの四角い箱なので真空管式のようなメカっぽさや見栄えはしません。もうすこし格好いいケースに入れてやるのもいいかもしれません。
アナログLPレコードを楽しむ に戻る