私のアンプ設計マニュアル / 基礎・応用編
アース回路その2

ステレオの場合:

「アース回路その1」の図3をもういちど見てみましょう。

図3

図3はモノラル構成ですが、ステレオ構成の増幅回路ではどうしたらいいのでしょうか。左右別個のアースにすべきでしょうか、それとも左右を1つにまとめるべきでしょうか。まず、最初に直面する問題は、入力回路でのアースの張りかたです。下図5をみてください。

図4

このように、図3の回路をステレオ構成にしてアンプの入力段として、前段のソース機器とRCAピン・ケーブル(シールド線)で接続したとします。前段ソース機材には、L-CHとR-CHの2つの出力端子がありますから、ここに2本のシールド線をつないだとすると、左右それぞれのシールド線のアース側は2つの経路に分かれて後続のアンプの入力に接続されることになります。(a)-(b)-(c)のルートと(a)-(d)-(c)のルートの2つです。

ここでとっても気持ち悪い事態に遭遇します。それは、前段では元々1つであったアースがシールド線で2つに泣き別れになってしまうということです。「アース回路その1」では、信号には行きと帰りがあると書きました。さて、L-CHの信号の帰り道は(c)-(b)-(a)ルートでしょうか。それだけではありませんね。L-CHの信号の帰りは(c)-(d)-(a)ルートも通ります。同様にR-CHの信号も両方のルートを通って帰ります。なんだか変ですね。

この問題は、不平衡回路の宿命ともいえるもので、このような事態がどんなにきもちわるくても我慢するしかありません。アースに関していえば、みなさんが普通に使用しているRCAピン・コードでは、L-CHはL-CHだけ、R-CHはR-CHだけを流すということはできないのです。この問題を解決するには、平衡回路にして、信号経路(往復)とアースを分離しない限り、左右CHのアースが混ざり合うのをなくすることは絶対にできません。不平衡回路では、1本のアースを左右共用にするしかないのです。ですから、図3のアンプの入力部分のアース(c)点は、たった1個所にまとめなければなりません。(ただし、これがモノラル構成のアンプの場合は話が全然違います。)

また、(a)-(b)-(c)-(d)という風にアースラインが一周してループになっていますが、こういう状態のところにパワートランス等の磁束が交差すると、このループがコイルとなって発電機になってしまい、アースライン自身がハムを発生させてしまいます。ここで発生するハムの大きさはループの面積に比例します。ですから、2本のケーブルはできるだけ接近させなければなりません。離してワッカにしただけで「ブーン」とハムを拾います。アースラインにワッカはつくってはならない、どうしてもできてしまう時はできるだけ小さなワッカにする、が鉄則です。

話を本題に戻します。

ステレオ構成の増幅回路ではどうしたらいいか、ですが不平衡回路ではアースを左右チャネルで分ける意味はなく、分けてしまうとかえって矛盾が生じます。ステレオ構成の増幅回路では左右共通にするのが正解です。アンプ内で基板を左右に分ける実装はアースの処理を難しくします。この時、アースラインに分布する線材の抵抗成分が問題になるので仕方なく太めの線材を使うわけです。ただ、回路インピーダンスが高い真空管回路では馬鹿みたいに太い線材でなくても十分に性能を出せますのでことさらに気にする必要はありません。


電源のリターン回路:

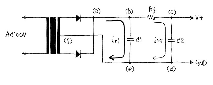
今度は、電源について電流の行きと帰りのルートを考えてみることにします。下図6を見てください。

図5

パワートランスを出た交流は、整流回路(整流方式は問いません)を経てコンデンサ(C1)の最初のリプルフィルタにはいります。このコンデンサ(C1)には実に大量のリプル電流ir1が流れます。C1の容量が大きいほどリプル電流の大きくなります。このリプル電流ir1は

(a)-(b)-(C1)-(e)-(f)

のループを形成します。次に抵抗(Rf)とコンデンサ(C2)のリプルフィルタにはいります。(C1)で取りきれなかったリプルがここでバイパスされますので、このコンデンサ(C2)にもかなり減ってはいますがリプル電流ir2が流れます。このリプル電流ir2は

(b)-(c)-(C2)-(d)-(e)

のループを形成します。

さて、この2段のリプルフィルタ回路を最も効率よく働かせるためには、どう配線したらいいのでしょうか。コンデンサ(C1)も(C2)もリプル電流を交流的にショートすることでフィルタとしての役割を果たしています。そして配線の線材にはわずかですが抵抗分(r1〜r7)がありますから、そこを流れるリプル電流によってほんのわずかですが電圧が生じています。

図6

この配線材や部品のリード線に存在する抵抗成分がいろいろと悪さをします。この電源回路のC1の周辺に着目して考えてみることにします(図7)。

図7

リプル電流のループ上に抵抗成分r1〜r4とC1があり、A点〜B点間、B点〜C点間、C点〜D点間、D点〜E点間それぞれにリプル電圧が生じています。C1の容量を大きくしてゆくとB点〜C点間のリプル電圧が小さくなってゆきますが、他のポイント間のリプル電圧は逆に増加します。何故かというと、C1の容量が大きくなればC1のリアクタンス(抵抗成分のようなもの)が小さくなるのでリプル電流は大きくなるからです。そのため、C1によるリプルフィルタが最も効果的に機能するのはB点〜C点間のみであって、A点、B点、C点、D点、E点はその恩恵からはずれます。

線材に分布する抵抗成分の影響は、アースの取り方ひとつで大きな問題を引き起こします。このことについては図8を使って説明します。

図8

図8の回路では、整流回路の電源トランスに近いポイントでシャーシアースを落としています。そして、電源回路とアンプ部をつなぐ配線のアース側はシャーシから取っています。この場合r4で生じたリプル電圧はどうなるでしょうか。電源トランスに近いアースポイントが電源の基準になりますから、r4で生じたリプル電圧なそっくりそのまま電源出力に乗ってしまいます。図の点線のルートを通って出てきてしまう、と考えてもいいでしょう。この時、ハムが出たからといってC1の容量を増やしても効果はありません。効果がないどころかハムは増えてしまいます。

このようにみてゆくと、アンプ全体のアースを電源回路のコンデンサのところでまとめてとるという方法がいかにまずいかがわかります。この方法は、たった1個のブロック・コンだけで済ませてしまったラジオ時代の名残で、昔のラジオやアンプからかなりのハムは出ていた理由はこんなところにあったわけです。この考え方は、今日のような静粛性が要求されるオーディオアンプには通用しません。

では、どうしたらいいか。

図9

図9のように配線したらよろしい。C1およびC2についてはリード線を長くしないでコンデンサ本体に近いところから取り出します。もっとも、この取り出し方は大電流低インピーダンスな半導体アンプでは必須ですが、少電流高インピーダンスな真空管アンプでは効果はないわけではありませんが、インパクトは非常に小さいです。むしろ重要なのはアースポイントの取り方です。リプルが残っていてリプル電流が流れているラインはアースのように見えてもアースとして扱うことはできません。リプル電流は無視できるくらい少なくなっているC2のアース側あるいはもっと下流になって、ようやく安心してアースポイントとすることができます。

私が製作するアンプの実装では必ずこのことを守っていますので、そういう目で回路図や実体配線を見てみてください。

私のアンプ設計マニュアル に戻る