|
大人の自由空間 部品の調達・工具の手配 |
部品の調達部品には種類あります。「回路図にある部品」と「回路図にない部品」です。回路図にある部品はわかりやすいですが、回路図にない部品をイメージするのは、はじめての方には非常に難しいと思います。本章では、アンプ製作に必要なすべての部品と工具について説明します。まず、回路図のチェックです。回路図を見て、だいたい、どんな部品が必要であるか見当をつけます。
アンプ部
VR1、VR2・・可変抵抗器(ボリューム)
音量調整で使います。2個のボリュームが連なった2連タイプを使います。直線的に変化するBカーブと人間の耳の感覚に対応したAカーブがありますが、ここではAカーブで50kΩのものを使います。
もうひとつ、出力管のバイアス調整用に単連タイプでBカーブの20kΩで小型のものを各チャネル1個ずつ合計2個使います。V1、V2、V3、V4・・真空管
6SL7GTが2本と6AH4GTが4本です。6SL7GTのかわりにメタル管の6SC7あるいはガラス管の6SC7GTも使えます。6AH4GTでなくとも使える球はいくらでもありますので、真空管のページを参照してください。今や真空管は骨董品でもあります。新品ではありませんので、製造メーカーの品質管理責任もありません。ですから、手に入れた真空管が不良であっても文句は言えないのです(一部、返品・交換に応じてくれる店もありますが)。ですから、各管種ごとに最低でも1本はスペアを確保してください。真空管ソケット
これは回路図にない部品です。USソケットが6個必要です。USソケットは、白い磁器でできたタイト・ソケットと、OMRON製のリレーソケット(中型リレーはUSソケットで取付けるのです)がポピュラーです。どちらでもかまいません。OPT・・出力トランス
出力トランスには、プッシュプル用とシングル用があり、特性が異なります。プッシュプル用で1次インピーダンスが8kΩのものを使います。10kΩのものも使えます。CRD1・・定電流ダイオード
定電流ダイオードはばらつきが非常に大きいので、必要個数(2個)だけ買ってくると、特性がかけ離れたものがはいっていることがあります。そこで、後述する方法で特性を実測して選別します。R・・カーボン抵抗器
通常安価で入手可能なのは、1/4W型または1/2W型のカーボン抵抗で誤差が5%のK級(金色マーク)です。差動回路では、1対ずつ相対的に値が揃ったものが望ましいので、220kΩと470kΩは手持ちの範囲からできるだけ揃ったものを選びます。負帰還にかかわる100Ωと2.4kΩはこの2個の抵抗値の比率で負帰還が決定されるので、選別を推奨します。C・・フィルム・コンデンサ
フィルム・コンデンサの表記は記号化されています。「2G」が耐圧400V、「2E」が耐圧250V、「2D」が耐圧200Vの意味です。続く3桁で値と位取りを表します。「224」が0.22μF、「474」が0.47μFを表しています。「223」だと0.022μFになってしまうので注意してください。
部品名 説明 数量 RCA入力ピンジャック - 取り付け穴寸10mm径。 2 スピーカー端子 ジョンソンターミナル(赤、黒) - 各2 端子 チップ・ジャック 出力管のバイアス検出端子として。
テスター棒がちょうど挿し込めるサイズ。放熱孔を広げて取り付ける。4 可変抵抗器(VR1) 50kΩ、A型、2連。 コスモス製ミニ・デテントが具合が良い。
他のボリュームも使える。
但し、シャフトの太さとツマミの大きさに注意。1 ボリューム・ツマミ - 6mm軸用のもの。 1 可変抵抗器(VR2) 20kΩ、B型、単連。 小型のものが良い。 2 真空管(V1,2) 6SL7GT
(6SC7、6SC7GTを選んでもよい。)詳細はここを参照。
不良、特性がずれたものもありうるので余分に調達。2 真空管(V3,4) 6AH4GT 詳細はここを参照。
不良、特性がずれたものもありうるので余分に調達。4 真空管ソケット USソケット 白い磁器製とOMRONの黒い樹脂製がある。 6 出力トランス(OPT) TANGO FE-25-8 または ノグチ PMF-25P 詳細はここを参照。 2 定電流ダイオード(CRD1) 1mAタイプ(石塚電子 E102) 詳細はここを参照。
選別した方がよいので4個調達。2(4) カーボン抵抗器(Rg3,Rg4) 470kΩ 1/4〜1/2W [■■■■] 複数の中から値の揃ったものを選別することを推奨。 4(6) カーボン抵抗器(Rvr1) 470kΩ 1/4〜1/2W [■■■■] ボリュームの摺動子オープン防止。 2 カーボン抵抗器(Rp1,Rp2) 220kΩ〜240kΩ 1/4〜1/2W
[■■■■]〜[■■■■]ロードラインで決定。複数の中から値の揃ったものを選別することを推奨。 4(6) カーボン抵抗器(Rvr2) 220kΩ 1/4〜1/2W [■■■■] ボリュームの摺動子オープン防止。 2 カーボン抵抗器(RNFB) 2.4kΩ 1/4〜1/2W [■■■■] 複数の中から値の揃ったものを選別することを推奨。 2(4) カーボン抵抗器(Rg2) 100Ω 1/4〜1/2W [■■■■] 複数の中から値の揃ったものを選別することを推奨。 2(4) カーボン抵抗器(Rsg3,Rsg4) 100Ω 1/4〜1/2W [■■■■] 6L6、EL34等の多極管スクリーン・グリッド保護。 4 カーボン抵抗器(Rk3,Rk4) 4.7Ω 1/2W [■■■■] 複数の中から値の揃ったものを選別することを推奨。 4(6) フィルム・コンデンサ 0.22〜0.47μF 250V〜400V "2E224" 〜 "2E474" = 0.22〜0.47μF 250V
"2G224" 〜 "2G474" = 0.22〜0.47μF 400V4
定電流部
定電流部は、2種類の回路方式が選べます。トランジスタを使って一から回路を組む方法(右図左側)と、3端子レギュレータを使ってシンプルに組む方法(右図右側)です。はじめての方は、後者の方法をおすすめします。
パワートランジスタ:
一定の条件させ満たせば、非常に広範囲な中から選ぶことができます。詳細はここに記述されています。パワートランジスタ用絶縁シート、ワッシャ:
パワートランジスタは1W程度の電力を消費し、かなり熱くなるのでシャーシに密着させての放熱が必要です。その時、選んだトランジスタが「絶縁板が必要なタイプ」の時に必要です。「絶縁板が不要なタイプ(フル・モールド・タイプ)」の時は必要ありません。」定電圧ダイオード(ツェナ・ダイオード):
6.4V±0.3Vくらいのものが入手できればいいですが、その範囲を越えた場合は、トランジスタのエミッタ抵抗の値を変更して対応します。後述する方法で特性を実測されることをおすすめします。金属酸化物皮膜抵抗器(酸金):
指定のワット数以上のものを使ってください。91Ωにするかどうかは定電圧ダイオードの特性で決まります。本機の定電流特性は、定電流特性=(ツェナ電圧−0.6V)÷エミッタ抵抗で決まりますので、ツェナ電圧が6.0〜6.4Vの時は91Ωですが、6.5〜6.9Vでは100Ωにしなければなりません。3端子レギュレータ"LM317T"および定電流特性決定抵抗RADJ:
使用する出力管のプレート電流値によって抵抗値を決定します。定電流特性=1.25V÷定電流特性決定抵抗RADJ(Ω)で決まります。6AH4GTの時で20Ωです。
部品名 説明 数量 トランジスタ式の場合 パワートランジスタ 2SD1763 詳細はここを参照。 2 パワートランジスタ用絶縁シート、ワッシャ テフロンシート or マイカ 詳細はここを参照。
選んだトランジスタが「絶縁板が必要なタイプ」の時に必要です。2 定電流ダイオード(CRD) 2mAタイプ(石塚電子 E202) 詳細はここを参照。
ラフな値でよいので選別の必要はない。2 定電圧ダイオード(ツェナ・ダイオード) 6.4Vタイプ±0.3V 詳細はここを参照。 2 金属酸化物皮膜抵抗器(酸金) 91〜100Ω 2W 複数の中から値の揃ったものを選別することを推奨。 2(4) 3端子レギュレータ式の場合 3端子レギュレータ LM317T 詳細はここを参照。 2 パワートランジスタ用絶縁シート、ワッシャ テフロンシート or マイカ 詳細はここを参照。 2 カーボン抵抗器(RADJ) 16Ω〜18Ω〜20Ω 1/2W
[■■■■]〜[■■■■]〜[■■■■]出力段定電流特性を決定する。
複数の中から値の揃ったものを選別することを推奨。2(4)
部品の選別
定電流ダイオード(CRD):
右図(左)のような回路を使って特性を測定します。1mAタイプの定電流ダイオードが正常な動作をするには3V以上の電圧が必要なので、9Vタイプの乾電池を用意します。1kΩの抵抗の両端電圧を測定することで定電流ダイオードの電流特性を算出します。
定電圧ダイオード(ZD):
右図(右)のような回路を使って特性を測定します。定電圧ダイオードの測定には、上述した定電流ダイオードの測定回路がそのまま使えます。違いは、ダイオードのマーカーの向きが逆であることと、測定する個所が異なることです。
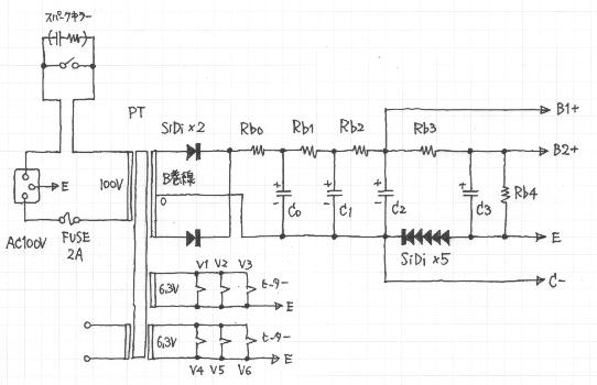
電源部
電源の回路図を2種類用意しました。上側は、ノグチの電源トランスPMC-190Mを使った場合、下側は、TANGOのPH-185を使った場合です。
ACコード&ACインレット:
標準シャーシを使う場合は、指定された3Pコネクタ付きACコードおよびACインレットを使います。詳細はここを参照。電源スイッチ&ヒューズホルダー:
標準シャーシを使う場合は、指定されたサイズのシーソースイッチおよびヒューズホルダーを使います。詳細はここを参照。ヒューズ:
3cm長のガラス管入りの標準タイプのものです。スパークキラー:
キャラメル大の部品で、中に0.047μF程度のコンデンサと120Ω程度の抵抗器が封入された部品で、スイッチの開閉時のスパークを抑制します。スイッチの使い方によっては2個必要です。電源トランス:
ノグチPMC-190MまたはTANGO PH-185を推奨します。詳細はここを参照。シリコン整流ダイオード:
高圧の整流用には逆耐圧が1000V以上で1.5A以上のタイプのもの、マイナス電源用には100V/1Aタイプのものを使います。銘柄は問いません。セメント抵抗器:
選んだ電源トランスによって得られる2次電圧が異なるため(PMC-190Mでは220VだがPH-185では250V)、セメント抵抗値およびその電力規格が異なりますので注意してください。アルミ電解コンデンサ:
金属バンドで固定してシャーシ上に立てるブロック・タイプではなく、プリント基板などに装着する小型の立型のものを使います。電源のコンデンサには、一次的に電源トランスの2次電圧の√2倍+αの電圧がかかりますので、それを考慮した耐圧のものを選びます。
部品名 説明 数量 ACコード IEC規格3Pコネクタ付き - 1 ACインレット IEC規格3Pコネクタタイプ パソコンなどの電源に使われていのと同じものです。 1 電源スイッチ 19mmX13mm穴に取り付けるタイプ。 - 1 ヒューズ・ホルダー ネジ込みタイプ。 - 1 ヒューズ(FUSE) 2A 3cm長のガラス管タイプ。 1+予備 スパーク・キラー - 一般的なものでよい。 1〜2 電源トランス(PT) ノグチ PMC-190M 又は
TANGO PH-185- 1 シリコン・ダイオード(SiDi) (例)1R5NH41、UF2010 逆耐圧1000V以上、定格電流1.5A以上のもの。
詳細はここを参照。2 シリコン・ダイオード(SiDi) (例)10E1 逆耐圧100V以上、定格電流1A以上のもの。
詳細はここを参照。5 セメント抵抗器(Rb1,Rb2) 82Ω 5W 出力管が6AH4GTで、電源トランスがPMC-190Mの時。 2 150Ω 10W 出力管が6AH4GTで、電源トランスがPH-185の時。 2 金属酸化物皮膜抵抗器(酸金)(Rb0) 20Ω 2W 電源トランスがPMC-190Mの時。 1 30Ω 2W 電源トランスがPH-185の時。 1 カーボン抵抗器(Rb4) 510kΩ 1/2W [■■■■] 電源電圧に応じて、消費電力が125mWを越えない範囲で設定する。 1 カーボン抵抗器(Rb3) 2kΩ 1/2W [■■■■] 電源トランスがPMC-190Mの時。 1 4.7kΩ 1/2W [■■■■] 電源トランスがPH-185の時。 1 カーボン抵抗器(番外) 390Ω 1/2W [■■■■] 電源スイッチ内蔵LED点灯用。 1 アルミ電解コンデンサ(C0,C1,C2) 100μF 350V 電源トランスがPMC-190Mの時。 3 100μF 400〜450V 電源トランスがPH-185の時。 3 アルミ電解コンデンサ(C3) 22μF 350V - 1
その他部品
ラグ:
どういう形状のラグを使い、どう配線するかは基本的にみなさんの自由裁量の世界です。しかし、それを言ってしまったのでははじめての方にはあんまりですので、私なりの配線のケースをご紹介したいと思います。詳細は、製作のページをご覧ください。なお、平ラグ、Lラグともに先端に配線用の小穴が開けられていますが、それだけでは足りないので、ベーク板への取り付け穴も大いに活用して配線します。ビス、ナット、ワッシャ:
ほとんどの部品の取り付けは3mm径のビス、ナット、ワッシャ類を使います。標準シャーシには、サービスで色合わせしたビスが提供されています。トランス等のごく一部の重量部品だけ、4mm径を使います。たいがいは、トランスと同梱されています。
![]()
![]()
![]()
部品名 説明 数量 平ラグ 16P 電源回路用 2 平ラグ 12P アンプ部バイアス調整VR取り付け用 2 Lラグ 5P - 8 スペーサー(サポーター) 3mm径 25mm長 12P平ラグ用 4 スペーサー(サポーター) 3mm径 10〜15mm長 16P平ラグ用 4 ビス、ナット、ワッシャ 3mm径 1〜120mm長ビス 真空管ソケット等の取り付け用。 16〜24 ビス、ナット、ワッシャ 3mm径 ナット - 20〜 ビス、ナット、ワッシャ 3mm径 スプリング・ワッシャ - 20〜 ビス、ナット、ワッシャ 3mm径 ワッシャ - 若干数 ビス、ナット、ワッシャ 3mm径 菊座金 シャーシ・アース・ポイント用 1 ビス、ナット、ワッシャ 3mm径 卵ラグ シャーシ・アースの時に使うことがある。私は、Lラグの支柱を流用した。 (1) ビス、ナット、ワッシャ 3mm径 8〜10mm長タッピング・ネジ 標準シャーシで、裏蓋、ACインレットの取り付けに使用。 10
![]() |
講座メインメニュー に戻る |