電子電圧計の校正


オーディオ機材の測定で欠かすことができないのが電子電圧計です。この種の測定器は、新品で購入してきた直後は十分に正確な表示をしてくれますが、年月が経つと表示が正しくなくなってきます。オークションにもよく出品されるので、比較的廉価に入手される方も多いと思いますが、そのような場合には正確に測定できる状態ではないものが結構多いです。正しく校正するためには、標準機を持っているメーカーや業者に送ってやってもらうのが筋ですが、本稿では最低限の自力校正の方法を説明します。


<回路の概要>

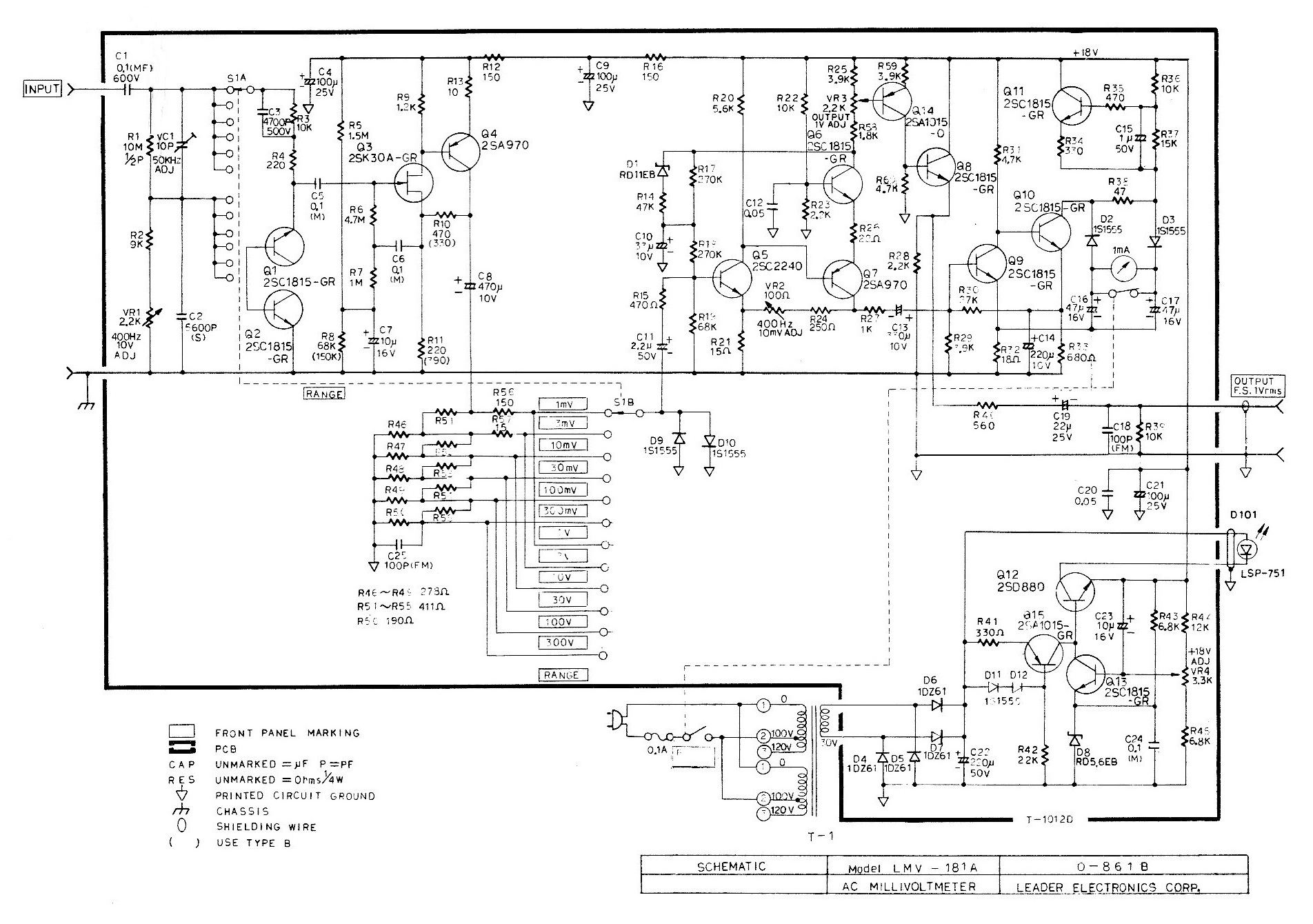
下の画像はLEADER製のLMV181Aの前面パネルと全回路図です。測定レンジは、1mVから300Vまでと幅広いですが、基本の測定系でカバーできるのは1mV〜300mVだけです。1V〜300Vは、入力信号を1/1000に減衰させて1mV〜300mVにしてから測定するようになっています。メーター駆動回路の直前に外部出力端子があり、ここからは測定レンジにかかわらず常に1Vフルスケールの信号出力が得られます。


<基本感度の調整>

電子電圧計の校正では、あらかじめ電圧が正確にわかっている電圧計校正器というものを使って精密に出力した基準電圧を使います。もし、お手元に正確に測定できる電子電圧計がもう1台あるのであればそれが校正器代わりに使えますが、ないのであれば次善の策を講じなければなりません。その場合の最も現実的かつ合理的な方法は、今お持ちのメインのデジタルテスターと同じ感度にしてしまうというものです。同じ感度の2台の測定器があれば、アンプの利得の測定が非常にやりやすくなります。

基本感度の調整は、入力部にある1/1000アッテネータを通らない低圧(左)側レンジで行います。LMV181Aでは、1mV〜300mVのレンジがこれに該当します。この最初の調整では右側の1V〜300Vレンジは対象外です。

本サイトの「PCとダウンロードデータを使ってテスト信号を作る」あるいは「PCとWaveGeneを使ってテスト信号を作る」のいずれかの方法で400Hzの基準電圧を作り出します。基準に使う信号電圧は、電子電圧計の左側のレンジの最高電圧(LMV181Aの場合は300mV)がいいでしょう。正規の電圧計校正器がある場合は、400Hz/10mVを使うようにマニュアルに書かれていますが、デジタルテスターの場合は100mV以下では測定表示が正確でなくなってきます。

400Hzの信号を、お持ちのデジタルテスターとこれから構成する電子電圧計に同時に入力し、デジタルテスターと電子電圧計の表示が一致するように「VR2」を調整します。


<1/1000アッテネータの調整>

基本感度の調整が終わったら、今度は1/1000アッテネータ、すなわち高圧(右)側のレンジの調整です。1/1000アッテネータは下図の赤で囲んだ部分です。LMV181Aでは、1V入力の時このアッテネータで1mVまで減衰させますし、3V入力では3mVまで減衰させることになります。このアッテネータは、抵抗器とそれと並列になったコンデンサで構成されています。低い周波数ではもっぱら抵抗器で減衰を行い、高い周波数ではコンデンサで減衰を行います。LMV181Aの場合切り替わる周波数は約3kHzです。3kHz前後の周波数では抵抗器とコンデンサの両方で減衰を行います。

まず、抵抗器側ですが、R1(10MΩ)とR2+VR1(9kΩ+2.2kΩVR)によって1/1000(抵抗値は999:1)の比率を作りますので、400Hzで1Vくらいを入力して1Vレンジでメーターが正確に1Vを指すようにVR1を調整すればOKです。これで低い周波数帯域では1V〜300Vのすべてのレンジでも正確な測定が可能になります。

次にコンデンサ側、VC1(〜10pF)と5600pFによって正確に1:999の比率を作ります。この調整ではコンデンサ容量が効いてくる高い周波数(50kHz、1V)を使います。VC1側が、測定器内部の配線で生じている浮遊容量を含めて容量比が999:1となるように調整するわけです。このコンデンサ容量の比率が正しくないと、数kHzよりも高い周波数帯域での表示が狂ってしまい、1kHz以下の帯域よりも高く表示されたり低く表示されます。周波数特性を測定していて、数KHz以上でフラットにならない場合は、アンプの周波数特性を疑う前に電子電圧計を疑ってください。

オーディオジェネレータの手持ちがなく、PCのWaveGeneで代用する場合は22kHzよりも高い周波数を生成できません。5600pFの50kHzにおけるリアクアンスは568Ωですから10kΩよりも十分に低い値ですが、20kHzでも1.42kΩなのでなんとか調整に使えます。


<外部出力の調整>

外部出力はあまり使うことがありませんが、一応説明しておきます。外部出力は、メータースケールの最大値である「1」を指した時に「1V」が出力されるようにVR3を調整すれば終了です。400Hzで調整します。


注意点その1・・・デジタルテスターの限界

お持ちのデジタルテスターを基準に調整を行う場合、そのデジタルテスターがどれくらい正確であるかがポイントになります。デジタルテスターは、すべての電圧レンジで正確に表示するわけではありません。1Vや10Vではかなり正確に表示してくれても、低い電圧では正確さが失われていることがあります。

右図は手持ちのデジタルテスターの感度の実測データです。秋月で購入したデジタルテスターは、100mVですでに表示が低めに出るのがわかります(水色の線)。100Hzではそこそこ正確でも、3kHzではまるでダメなこともわかります。どれくらい正確でないかは、デジタルテスターのモデルごとに全くバラバラですので、右のデータは参考程度だと思ってください。

注意点その2・・・アナログメーターは正確にリニアではない
アナログメーターは、スケールの左側にゆくほど正確さが得られなくなります。1Vレンジできっかり1Vを表示した状態で3Vレンジに切り替えた時、メーターの針が正確に1Vを指すとは限りません。そこのところは大目にみてやる必要があります。
注意点その3・・・電子電圧計の300mVあるいは1V以上の高圧レンジの周波数特性は正確ではない
電子電圧を使って周波数特性を測定していて、数kHzから上で微妙に高域が持ち上がっていたり、逆にごくわずかに凹んでいたりするのは上記の1/1000アッテネータの帯域特性の正確さの限界が原因です。1/1000アッテネータのCRをどんなに追い込んでも、完璧はフラットネスは得られません。アンプの周波数特性をできるだけ正確に測定したかったら、1/1000アッテネータを通さない300mV未満のレンジを使うのが正解です。
注意点その4・・・



オーディオ計測器に戻る