10.回路の検討と定数の計算


回路構成

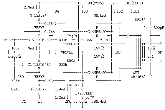
これが、本機回路構成の全貌です。

入力信号(input)は、12AU6で増幅されますが、12AU6のプレート側は抵抗負荷のかわりに12AU7によるSRPPが乗っています。また、12AU6は、もう1本の12AU6(逆さになっている)とカソードを共通にしており、いわゆる差動プッシュプル回路になっています。共通カソードは、定電流ダイオード(CRD1)によってマイナス電源(C1)に引き込まれています。2つの12AU6の出力は、上に乗っている12AU7の各カソード側からコンデンサ結合(Cg2)を経て取り出され、出力段6F6GTのグリッドに供給されます。

出力段の6F6GTも、カソードを共通にしており、これも差動プッシュプル回路になっています。共通カソードは、トランジスタとダイオードによる定電流回路によって定電流化されていますが、電圧に余裕があるのでマイナス電源は使っていません。

6F6GTのコントロール・グリッドには、出力管のバイアスバランスを調整するために意図的にプラスのバイアスが与えてあり、このプラスの分だけカソード電位が高くなっています。これは、バイアスの浅い6V6や6L6に差替えた時、定電流回路の動作電圧の余裕がなくなるのを回避するためです。

出力段には、出力トランスの2次巻き線からのカソード帰還をかけたいのですが、残念ながらTAMRA F-486の負帰還用巻き線にはセンター・タップがありません。このような場合、スピーカ巻き線の0-4Ωと4Ω-16Ωの2つの巻き線が等しいことを利用して4Ωをセンター・タップとして流用する方法がありますが、この方法は出力管のカソードがアースされる場合にしか使えません。本機では、カソードは定電流回路によってアースから浮いていますので、この手が使えません。あれこれ考えた結果、負帰還用巻き線の両端をそれぞれのカソードに接続し、一方で各カソードから十分大きな値の2本の抵抗(Rk2)を介してカソード電流を取り出すことで解決することにしました。この場合、負帰還用巻き線からみて直列となっている2本Rk2には、出力信号電流が流れるため、わずかですが電力ロスが生じます。従って、Rk2の値はあまり小さくすることができません。

電源回路は、整流出力の最初のリプル・フィルター(Cb0)を出ると、左右CH独立した1段のπ型リプル・フィルター(Rb1/Cb1)を経て出力段への電源(B1)が供給されます。ここでの残留リプルは決して少なくありません(2Vくらいあります)が、本機回路が構造的に外部ノイズ(残留リプルも含む)に非常に強いおかげで、このような安直な電源でも十分な特性が得られるはずである、とふんでの設計です。

初段の電源(B3)までにさらにもう2段のπ型リプル・フィルター(Rb3/Rb4)があります。ここから、3本の抵抗(Rb2a,Rb2b,Rb2c)を経て定電圧ダイオード(ZDb)で定電圧化された電源が、初段12AU6のスクリーン・グリッドに供給されます。一方、この途中から出力管のスクリーン・グリッド電源のための基準電圧を取り出して、トランジスタ(2SD798)のベースに接続されています。このベース電圧をスイッチで切り替えることで、出力管を6L6に差替えた際に必要な低めのスクリーン・グリッド電源を得ています。

初段回路定数の設計

では早速、初段回路定数の設計にはいります。私は、回路定数の設計にMicrosoft Excelを使っています。下表のゴシック部分が決定入力項目、それ以外が計算で求められる項目になっています。どの項目を決定入力項目にするか、計算項目いするかは、Excelでどのような式を定義するかどうかで決まってしまいますから、みなさんがこの方法をお使いになる場合は、みなさんの好き好きでやってみてください。参考のために、表中に式がどうなっているのかも添えておきます。この方法ですと、さまざまな条件を入力しながら、動作状態を瞬時にシミュレーションできるので、とても楽ちんです。

今回の手順としては、電源電圧と定電流回路を先に決定し、SRPP上側球(12AU7)のバイアスの深さをいじることでゲインがどう変化するかをにらみながら、必要に応じて電源電圧等の周辺の条件を変えながら、定数を決めてゆけるような式を組みました・・・実回路では、SRPP上側球(12AU7)のカソード抵抗値を可変とすることで調整を行います。

また、1つの電源回路から初段管と出力管の両方のスクリーン・グリッド電源を取り出しているため、初段のシミュレーションの中に出力段スクリーン・グリッドの基準電圧の部分も組み込まれていますのでご注意ください。

出力段回路定数の設計

出力段の設計も初段と同様に、電源電圧と定電流回路を先に決定し、必要に応じて周辺の条件(含電源電圧)を変えながら、出力段が当初予定していた動作条件になるようにシミュレーションできるような式を組みました。

電源回路定数の設計

本来シミュレーションでは、初段・出力段の電源電圧と、電源回路の電圧とは連動すべきところですが、電源電圧が決まらないと消費電流が決まらない、消費電流が決まらないと電源電圧が決まらない、という循環が形成されます。この循環(正確には同時式:Simultaneous Equasionという)の解を求めるような構造にしなければならないのですが(Excelは同時式を解く機能がついています)、結構面倒な定義になるので、同時式を解くような構造にはしませんでした。

そのため、初段・出力段と電源回路とは切り離しています。それでも、初段・出力段の電源電圧(EB1〜EB4)と、電源回路の電圧(EB1〜EB4)とはほぼ同じになるようにシミュレーション(こういうのをWhat-IF分析といいます)すれば、簡単につじつまを合わせることができます。

回路定数の決定

上記のシミュレーションの結果を回路図としてまとめたのが下図です。回路図上の電圧値および電流値は、計算値であって、実測値ではありません。


メニューに戻る