じつは、ミニワッターは構想の段階から71Aあるいは171Aのような小型の古典管を使うことも視野にはいっておりました。ですから今頃こんなページが現れるのは当初から予定されていたともいえます。掲示板で教えていただいた5A6(CV4097、S2P20)のほかには1626や6G6Gの3結なども考えています。この種の球をミニワッターとして仕上げようというのは応用の領域に属します。このページは初心者向きな書き方はしていませんが、ご自身で回路図を描き、記事をプリントアウトしてよく読みながら回路定数を埋めてゆけばすべての回路定数は見えてくるように必要な情報は書いてあります。ここから先は自分で拓いてゆかねばなりません。
RCAがUX-171を発表したのは真空管の黎明期である1925年のことです。同時に発表されたのがより小さな電池用のUX-120(シングルで0.2W)と大出力用のUX-210で、UX-171はその中間に位置します。UX-210が大出力だといってもシングルで1.5Wしか出ませんでしたが、とにかくそういう時代です。シングルで0.7W出せるUX-171のおかげでまとまった音量でラジオが聞けるようになったわけです。しかし、数年後に45の前身であるUX-245やよりパワーのあるUX-250が出るに及んで、UX-171はみるみる影が薄くなってゆきます。まともなオーディオアンプであるためにはシングルの0.7Wでは話にならず、171一族はオーディオ界の一員として活躍する場はほとんどありませんでした。
そんな171ですが、ミニワッターとしてみるとまさにぴったりのパワーサイズであり、しかも直熱管であるために抜群の直線性の良さを持っています。ちなみに、171に関してはデータ見たことがなく個体があったとしたらおそらく博物館行きで、入手可能なのは171Aあるいは71Aです。171Aや371Aという風に3桁ですと茄子管で2桁はダルマ型のST管です。このシリーズは171A、371A、71Aいずれも特性は共通です。
5A6は寡聞にしてその存在を知りませんでしたが、掲示板で教えていただいたものです。100MHzまでの送信管として活躍した球で、3結にすると直熱管らしい優れた直線性を誇ります。軍用の高信頼球としてCV4097が同等管で、別名S2P20ともいいます。こういう球は、データを見た瞬間に「使える!」とピンときます。
71A/171Aや5A6は完全なる過去の遺産で今となっては新品は作られてはいません。私は米国の通販AESで中古球の171Aを4本入手しましたが、AES側で測定済みであったにもかかわらず1本はバイアスが異常に深い使用不能球でした。この種の球に不良交換は期待できませんので、入手に際しては自己責任・自己負担の心積もりをしてください。また、いずれも数少ない遺産球なので無闇に買い集めたり、死蔵しないようにしたいものです。
<71A/171Aおよび5A6/CV4097の入手方法>
171A、371A・・・新品はありません。中古の抜き球が少量流通しています。通販またはオークションで入手します。中古球ですので販売側で合格していても、実装してみたら駄目だった、ということが普通に起きます。ハズレ球の負担を覚悟して入手してください。相場は1本あたり5000円くらいです(2011.6)。
71A・・・新品あるいは新品同様のものが通販やオークションで手に入ります。171Aと71で音に有意な違いはありません。相場は1本あたり3000円くらいです(2011.6)。
5A6・・・そんなに高い球ではありませんが、オーディオ球ではないので無線機関係の店が少量を持っている程度です。AESは在庫はなさそうですがTubeDepotにはありました(2011.6)。
CV4097・・・5A6の高信頼バージョンで特性は同じです。春日無線変圧器(ニュー秋葉原センター店)で廉価に扱っています。仕入れてくれるように依頼しましたので一定の在庫を確保してくれています。
AES(Antoque Electric Supply、米国)・・・米国のメジャーな通販サイト。親切で信用できるので日本のユーザーは非常に多い。中古の171Aおよび71Aを扱っている。
TubeDepot(Antoque Electric Supply、米国)・・・比較的廉価で品数も多い通販サイト。71Aおよび5A6もある。ここも日本からの利用者は多い。
<さまざまな問題>
71A/171Aは直線性だけはいいですが、増幅率はさっぱりでドライブが難しく、しかも直熱管ですから個々にフィラメントをDC点火してやらなければならないという厄介な球です。
(1)71A/171A低感度をどう解決するか。これに比べると5A6/CV4097はだいぶ楽です。
(2)ドライブに必要な高入力信号をどう供給するか。
(3)2系統必要なフィラメントのDC点火をどうするか。ただ、電圧が手ごろなのと消費電流が少ないので2A3や300Bに比べたら楽勝です。
(4)初段と出力段はできれば直結にしたいが可能か。
(5)ミニワッター汎用シャーシのスペース無理なく入りきるか。
(6)これらを実現するための電源回路は可能か。
ちょっと考えただけで、わくわくしてきますね。いろいろな方法が思いつきますが、どれも欠点があって上記のすべての条件を満たすことが難しい。
素直に12AX7×1本を左右で使って171Aをドライブするという方法が最初に思いつきますが、この方法では利得が足りないし、電源電圧の制約などから直結は無理。そもそも、12AX7のヒーター電源が得られません。6AU6などの5極電圧増幅管を使うという方法の方がより現実的ですが、スペース的にかなりきつい(できない相談ではありませんが)。いっそのこと、初段に半導体を使うことにすればスペースの問題もヒーター電源の問題も解決しそう。
<アンプ部の回路の検討>
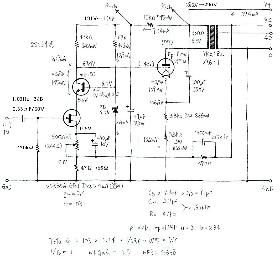
下の2つの図はいろいろなことを考えつつ作成した回路検討メモのスキャンです。説明用の回路図ではありませんので記述された式や数値に関する詳しい説明は割愛します。ご自身で判断・解析してご理解ください(質問は受け付けませんのであしからず)。できるだけ簡単な回路方式でなんとか(1)〜(6)の条件を満たす方法はないものかと模索している様子がわかると思います。


左側の回路:
限られた電源電圧で2段直結をねらうとなると、できるだけ電源電圧の利用効率の高い増幅素子を使う必要があるわけですが、そうなると真空管によるドライブはほとんど無理で、電源電圧利用率が最も高いのはバイポーラトランジスタということになります。たまたま手元に耐圧150Vの2SC3423-YがあったのでhFEを実測したところ約200ありました。これならなんとかいけるかも、と思って暫定的に回路にしてみたのがこれです。ただ、耐圧150Vに対して全く余裕がありませんので、ある意味「悪い」設計です。利得を欲張らずにコレクタ負荷抵抗を39kΩ以下のすれば少しは電圧に余裕が生まれますが、安全設計という点では十分とはいえません。
171Aはμが3しかなく、極端に利得が低い球なので初段は100倍以上の高利得が要求されます。初段の利得は以下の式で求めることができます。
利得=47,000Ω÷(330Ω+(26Ω÷1.8mA))=136倍
この回路定数ならば総合利得は十分ですし(無帰還で10倍)十分なドライブ電圧も得られますが、入力インピーダンスがあまり高くないのが難点です。いろいろ入力インピーダンスを高くする工夫をして概算で57kΩくらいです。なお、部品点数が増えるのを嫌ってブートストラップは使わずに粘ってみました。
右側の回路:
初段にバイポーラトランジスタではなくJFETの2SK30を使った試案です。初段のドレイン電流が2.3mAほどもあり、これを実現するにはGRランクの中からさらにIdssが3.6mA以上のものを選別しなければなりません。ドレイン電流を減らすとそれに反比例して負荷抵抗値が大きくなり、すなわち回路インピーダンスが上昇してしまうのであえてドレイン電流を多めにしています。負荷抵抗を変えないで利得を増やすにはドレイン電流を増やすしかない、という事情もあっての回路定数です。2SK246のBLランクを使えばドレイン電流はもっと増やすことが可能ですが、あまり欲張っても総消費電流が増えてしまい電源トランスの定格をオーバーしてしまいます。
2SK30は耐圧が足りませんので2SC3425をカスコードで載せて耐圧を稼いでいます。2SC3425は耐圧が400Vありますから安心です。2SC3425の代替としては、2SC3619(耐圧300V)、2SC3334(耐圧250V)があります。
初段入力は0.33μFを入れて意図的にDCを遮断しています。初段はAC利得のみならずDC利得もかなり高いので、万が一ソース機材からDC漏れがあった場合、出力段の動作が狂ってしまうのを嫌って念を入れています。上記の、回路図には描き込んでいませんが、カスコード回路のベース電圧を固体させるZDは左右共通です。実装でZDには気持ちでCを抱かせています。ソース側に半固定抵抗器を入れて電圧バランスを調整します。試作機では500Ωの半固定抵抗器がなかったので、回路図上は1kΩの半固定抵抗器と1kΩ抵抗を並列にしています。
この回路定数で無帰還時の利得は約7.7倍、負帰還をかけた状態で4.5倍、負帰還量は4.6dBです。部品点数はかなり増えてしまいましたが、アンプ部は20P平ラグ1枚に収まることは確認しています。
ちなみに上記設計でベースとなったロードラインは以下のとおりです。元の図に書き込まれたロードラインは5kΩで動作条件はEp=180V、Ip=20mA、Bias=-40.3Vですが、本機の動作はRL=7kΩ、Ep=170V、Ip=16〜17mA、Bias=-40Vで控えめなA2級動作になっています。

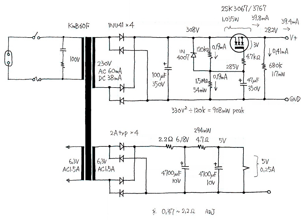
<電源部の回路の検討>
下図は上記の右側の回路に適合した電源回路の検討メモのスキャンですが、左側の回路にもほとんど適合します。

V+電源はすでに発表済みのミニワッターの電源回路と同じで、回路定数が若干違うだけです。出力管の71A/171Aのフィラメント定格は5V/0.25Aですので回路的には設計は容易です。整流ダイオードには171Aでは200V/2Aタイプを4個使いましたが詰め込みで抵抗器の配置などで苦労しています。5A6ではW02Gというどこにでも売っている200V/1.5Aタイプのブリッジを使ったのですっきりおさまりました。
シンプルな2段CR型のリプルフィルタでおそらく残留リプルは10mV以下に追い込めると思います(実測8mVでした)。特徴的なのは、171A/71Aの場合のプレート電流の取り出し方法で、よく見かける回路は2本の抵抗を渡してそのセンターから取り出していますが、この回路では片側から取り出しています。残留リプルが十分に少ない場合はわざわざセンターを出す必要はないからです。この方式は300Bを使ったメーカー製のパワーアンプにも実例をみつけることができます。この方法を採用する場合の注意点としては、みかけ上のバイアスが約2.5Vほどずれることです。そのためアンプ部の設計ではこのことを計算に入れたバイアス設定にしてあります。5A6はフィラメントにセンターがあるのでカソード抵抗はそこにつないでください。そうすればハムは更に減ります。
<シャーシ追加工>
頒布していミニワッター汎用シャーシを使う場合は以下の追加工が必要です。
UXソケット用穴あけ・・・・5A6/CV4097は9pinのmTソケットなのでそのまま使えますが、171A/71Aは大きなUXソケットになります。UXソケット穴の径は30mmです。汎用シャーシのソケット穴はmT9ピン用の19mm径ですのでこれを大きくしなければなりません。30mmのシャーシパンチを使うのが最も簡単です。注意点としては、元の穴と同じ間隔で開けてしまうと出力管同士が当たってしまいます。球の直径を考えて適切な間隔になるように工夫してくっださい。171Aは大きさの割に消費電力が少なく、動作中でも余裕で手で触れるくらい低温球ですので、ガラスが当たらない程度に離れていれば十分です。
電源ユニット取り付け用穴あけ・・・・電源ユニットの20P平ラグを取り付けるための3つ穴をシャーシ側面に開けます。上下の位置ですがちょうど真ん中がいいでしょう。前後の位置は画像を参考にしてください。
RCAソケットおよびボリューム穴周辺のやすりがけ・・・・入力のRCA端子と音量調整ボリュームの本体は取り付け部でアースと導通させる必要がありますが、ミニワッター汎用シャーシは内側まで塗装が回りこんでいます。これをサンドペーパーで落としておきます。
スピーカー・インピーダンス切り替えスイッチ穴・・・・ここで使用したのは昔試作用に作ったミニワッター汎用シャーシで後面の端子穴が6つのバージョンです。現在頒布ししているシャーシは端子穴が8つありますのでスピーカー・インピーダンス切り替えスイッチを使わなくても4Ωと8Ωの両方の端子をつけることができます。この種の応用は製作者の自発的工夫にお任せします。
<部品頒布を希望される方へ>
部品の内訳が以下の点でミニワッターと異なります。ご面倒でも具体的にご指定ください。製作に必要な部品は(真空管以外)すべて手持ちがあります。
- 抵抗器およびコンデンサの内訳が異なるのでミニワッター用のセットは適さない。
- 初段ソース側の半固定抵抗器は500Ωのものを頒布している。
- 整流ダイオードは使用する電源トランスによって4本の場合と2本の場合がある。
- 立てラグは3P×2。
- スペーサは、10mm×3に加えて8mm×2が必要。
部品頒布ページはこちら→http://www.op316.com/tubes/buhin/buhin.htm
<内部>
これは171Aシングルの内部です。電源部は20P平ラグに組んで側面に取り付けています。左1/3が高圧電源部で、右2/3がフィラメントのDC電源です。LED電源は片チャネルのフィラメント電源から4mAほど借用しています。部品の位置関係としては、熱に弱いコンデンサが下になるように、発熱するMOS-FETや抵抗器が上になるように配慮してあります。電源部の配線が入り組んでいますが部品の収まりを考えたらこうなりました。LED用のドロップ抵抗(820Ω)のためのラグ端子が足りないので平ラグの固定ネジを流用して卵ラグに助けてもらっています。
中央の平ラグがアンプ部で、出力段カソード抵抗以外のすべての部品はこの平ラグに載っています。半固定抵抗器が全部で4個見えますが、2つは初段ソース抵抗であとの2つは負帰還調整用です。最終的には62Ωにセットしてあります。真空管ソケットの周辺が陰になってよく見えませんが、カソード抵抗は3.3kΩが2個直列なので中継に立ラグを使っています。アースは2個の中継ラグの間に渡したアース母線にすべてを集中させています。

こちらが実際に製作した平ラグのパターンです。上記画像とはほぼ一致しますが、回路検討メモの内容とは必ずしも一致しません。電源トランスにH9-0901を使う場合は整流ダイオードのところが変わりますからご注意ください。フィラメントのDC電源の整流ダイオードは小型のブリッジダイオードのW02Gを使えば配線はすっきりします(W02Gは頒布していますし、通販でも容易に買えます)。
<電源部のパターン>

<アンプ部のパターン>

<5A6/CV4097の接続>
プレートとスクリーングリッド間には発振防止目的で100Ω1/4Wくらいの抵抗器を入れておきます。フィラメントは5Vで点火する場合、5-pinがプラス指定になっています。カソード抵抗は9-pinにつなぎます。第3グリッドは9-pinにつなぎます。

<測定結果>
171Aシングル・ミニワッターの周波数特性と雑音歪み率特性(8Ω、帯域80kHz)
171Aシングルの各部の電圧ですが、思ったよりも整流出力電圧が高く出たため、アンプ部の電源電圧は机上計算値が282Vであったのに対して実測で290Vとなりました。その理由はヒーター巻き線の負担が軽かったからだと思います。そのため、出力段カソード電圧も当初の107Vから109Vに上げており、プレート電流もわずかに増えています。171Aの球の温度ですが、気温28℃で2時間動作させた状態で、頂部で62℃、ベース部で46℃でしたからかなりぬるい球です。シャーシ内部の温度は40℃で、周囲温度+12℃ということになります。
無帰還時の利得は8.33倍となりました。机上計算の7.7倍よりも大きいのは机上計算では2SK30Aのgmをやや控えめな値を設定していたからです。6dBの負帰還をかけて利得は4.16倍となり、残留ノイズは左右ともに220μVです。ハムなどのノイズは聞こえません。
周波数特性は下図左のとおりです。8Ω負荷、出力1Vで、無帰還状態と6dBの負帰還をかけた状態での測定です。使用した出力トランスは東栄のT-1200ですが、測定結果にはT-1200の特性そのものが出ています。歪み率特性はいわゆるドライバ段との2次歪み打ち消しパターンのカーブをみせています。2次歪み打ち消しが効果的に作用すると1kHzでの歪が激減します。全体としてほぼ意図したとおりかそれ以上で、満足のゆく結果となりました。


5A6/CV4097シングル・ミニワッターの周波数特性と雑音歪み率特性(8Ω、帯域80kHz)
5A6/CV4097は171Aよりも2倍ほど感度が高いのでドライブはかなり楽になり、無帰還時の利得も12倍とれたので負帰還量を8dBまで増やしています。そのため帯域特性は171Aよりも少し広くなっています(グラフ中の6dBというのは誤りで正しくは8dBです)。歪み率特性は流石に直熱管だけあって見事なものです。残留ノイズは左が60μVで右が110μVと非常に優秀です。171Aよりも残留ノイズが少ないのは、5A6/CV4097はフィラメントのセンタータップが使えたからです。CV4097の球の温度ですが、気温28℃で2時間動作させた状態で頂部で最も高いところで90℃です。シャーシ内部の温度は41℃ですから、周囲温度+13℃となります。
さて、上の171Aでは強い2次歪みの打消しが起きたのに何故こちらではそうれほどでもないのか、わかりますか?それがピンきた方はシングルアンプをモノにされた方。(考えるためのヒントはこちら)


<音>
171AとCV4097を製作しましたが、どちらもヌケがよくきめの細かい気持ちの良い鳴り方をします。流石、直熱管です。171Aは非常にナチュラルで心地よい音であり、しかもスケール感があります。繊細な音かと思ったら違いました。ミニワッターにしておくのがもったいないです。CV4097はやはりナチュラルで澄んだ音がします。帯域も申し分なく、廉価に手軽に直熱管特有の雑味のない音が手に入る貴重な球だと思います。
<応用編>
世の中171Aだけではありません。あまり知られてはいませんが個性豊かな小型出力管がいくつかありますので、本機の回路をベースとして他の球が使える動作条件と回路定数を模索してみることにしましょう。
1626は小型の送信管で第二次大戦中の米軍で使われたものです。EL32は英国No.ではVT52とも呼ばれた6F6をひとまわり小さくしたような5極管です。6G6Gは並三ラジオでおなじみの6Z-P1に酷似した球でとてもオーディオアンプには使えそうもないささやかな球です。71Aも含めてこういった球はいずれも小パワーゆえに記事に取り上げられることも少なく、真空管店の特価コーナーなどで廉価に出回っていました。


ネットでかき集めた画像。左から1626、EL32が2つ(MINIWATTと書いてあるやん)、6G6G、6Z-P1、12A6、12A6GT。右端は5A6/CV4097。
| 真空管名 | 171A/371A/71A | 5A6/CV4097 (3結) | 1626 | EL32/VT52 (3結) | 6G6G (3結) | 12A6/GT (3結) | 12B4A | 6AH4GT | 6G-A4 |
| 分類 | 直熱3極管 | 直熱5極管 | 傍熱3極管 | 傍熱5極管 | 傍熱5極管 | 傍熱ビーム管 | 傍熱3極管 | 傍熱3極管 | 傍熱3極管 |
| ヒーター定格 | 電圧 | 5V | 5V/2.5V | 12.6V | 6.3V | 6.3V | 12.6V | 12.6V/6.3V | 6.3V | 6.3V |
| 電流 | 0.25A | 0.23A/0.46A | 0.25A | 0.2A | 0.15A | 0.15A | 0.3A/0.6A | 0.75A | 0.75A |
| 点火方法 | DC | DC | AC | AC | AC | AC | AC | AC | AC |
| 最大定格 | プレート電圧 | 180V | 150V | 250V | 250V | 180V | 250V | 550V | 300V | 300V |
| プレート損失 | (3.6W) | 5W | 5W | 8W | 2.75W | 7.5W | 5.5W | 8.5W | 13W(無理) |
代表的動作 (筆者机上設計) | プレート電圧 | 180V | 175V (定格オーバー) | 225V | 250V | 180V | 210V | 163V |
| プレート電流 | 20mA | 18mA | 22mA | 30mA | 11mA | 16mA | 20mA |
| バイアス | -40.5V | -22.5V | -29V | -20V | -12V | -15V | -23V |
| 内部抵抗(rp) | 1.75kΩ | 1.7kΩ | 2.9kΩ | 3.1kΩ | 4.75kΩ | 3.6kΩ | 1.06kΩ |
| 増幅率(μ) | 3 | 5.3 | 5 | 8.06 | 9.5 | 9 | 6.1 |
全体の電圧バランスを考慮しつつ、各管の動作条件を探ってみたのが以下の一連のロードラインです。おことわりしておきますが、実際に製作して検証したわけではありません。私だったらこれくらいの大体こんな動作条件で作ってみると思います、というくらいの参考データです。(画像クリックで拡大。)
最終回路図は以下のとおりです。初段電源のバイパスコンデンサ容量が、当初は47μF/250Vであったのを100μF/250Vに変更しました。これにより、低域の左右チャネル間クロストークが改善されています。初段バイアスを調整するための半固定抵抗器は、回路図では1kΩとなっていますが、実際には500Ωのものを使っています。

上記ロードラインをもとに初段を含むアンプ部全体の動作の詳細について計算したものをまとめました。
| 真空管名 | 171A/371A/71A | 5A6/CV4097 (3結) | 1626 | EL32/VT52 (3結) | 6G6G (3結) | 12A6/GT (3結) | 12B4A | 6AH4GT | 6G-A4 |
| ピン接続 |
 |
 |
 |
 |  |
 |
 |
 |
- | - |
| 初段 | コレクタ電圧(VC) | 71V | 69V | 59V | 56V | 55V | 60V | 58V | - | 33V |
| ドレイン電流(ID) | 2.3mA | 2.2mA | 2.3mA | 2.3mA | 2.3mA | 2.3mA | 2.06mA | - | 1.89mA |
| ソース抵抗 | 要調整 (200〜400Ω) | 要調整 (200〜400Ω) | 要調整 (200〜400Ω) | 要調整 (200〜400Ω) | 要調整 (200〜400Ω) | 要調整 (200〜400Ω) | 要調整 (200〜400Ω) | 要調整 (200〜400Ω) | 要調整 (300〜450Ω) |
| ドレイン負荷抵抗(RD) | 47kΩ1W | 39kΩ1W | 47kΩ1W | 33kΩ1W | 33kΩ1W | 33kΩ1W | 39kΩ1W | - | 18kΩ1/2W |
| ツェナダイオード電圧 | 6.2V | 6.2V | 6.2V | 6.2V | 6.2V | 6.2V | 6.2V | - | 6.2V |
| ツェナダイオード駆動抵抗(RZD) | 68kΩ2W | 68kΩ2W | 68kΩ2W | 47kΩ2W | 56kΩ1W | 51kΩ2W | 68kΩ2W | - | 27kΩ1/2W |
| 初段電源ドロップ抵抗(RV+) | 15kΩ3W | 18kΩ3W | 15kΩ3W | 22kΩ5W | 18kΩ3W | 22kΩ5W | 18kΩ3W | - | 22kΩ3W |
| 出力段 | カソード電圧(Vk)※ | 109V | 90V | 84.5V | 75V | 67V | 75V | 80V | - | 43V |
| カソード抵抗(Rk) | 6.6kΩ (3.3kΩ3W×2 直列) | 5kΩ (10kΩ3W×2 並列) | 4.7kΩ5W | 3.9kΩ5W | 5.6kΩ3W | 4.7kΩ5W | 4kΩ (4kΩ3W×2 直列) | - | 1.5kΩ (3kΩ3W×2 並列) |
| プレート電圧 | 180V | 173V | 200V | 210V | 180V | 210V | 162V | 153V | 150V |
| プレート電流(Ip) | 16.5mA | 18mA | 18mA | 19.2mA | 12mA | 16mA | 20mA | 26.5mA | 29mA |
| バイアス(Bias)※ | -45V | -21V | -25.5V | -19V | -11.8V | -15V | -22V | -11V | -10V |
| 負荷インピーダンス | 7kΩ | 7kΩ | 7kΩ | 7kΩ | 7kΩ | 7kΩ | 7kΩ | 3.5kΩ | 3.5kΩ |
| V+電源 | 電源トランス | KmB60F (230V) | H9-0901 (230V) | H9-0901 (230V) | H9-0901 (230V) | KmB90F (195V) | KmB60F (230V) | KmB90F (195V) | H12-0429 (160V) | H12-0429 (160V) |
| ドロップ抵抗(プラス側) | 120kΩ1/2W | 150kΩ1/2W | 82kΩ1/2W | 82kΩ1/2W | 82kΩ1/2W | - | 100kΩ1/2W | - | 56kΩ1/2W |
| ドロップ抵抗(アース側) | 1.5MΩ1/4W | 1.5MΩ1/4W | 1.5MΩ1/4W | 1.5MΩ1/4W | 1.5MΩ1/4W | 1.5MΩ1/4W | 1.5MΩ1/4W | - | 1.5MΩ1/4W |
| 電源電圧※ | 290V | 273V | 290V | 290V | 252V | 290V | 248V | - | 211V |
フィラメント DC電源 | 平滑抵抗1 | 2.2Ω1W | 1.5Ω1/2W | - | - | - | - | - | - | - |
| 平滑抵抗2 | 4.7Ω2W | 4.7Ω1W | - | - | - | - | - | - | - |
※調整しチェックする箇所は出力段カソード電圧だけです。初段2SK30Aのソース側の半固定抵抗器を調整して出力段カソード電圧が指定値となるように調整すれば完了です。
※電源電圧は、実機で検証されているのは171Aと5A6/CV4097のみです。他の球の場合は設計値です。
※171Aなど、古典球や老朽化した球の場合、バイアスが表記の値からかけ離れたものになりことがあります。