近刊<入手可能部品で作る>

ヘッドホン・アンプより
Headphone Buffers


■■エミッタ・フォロワ型ヘッドホン・バッファより抜粋

■回路の概要

コレクタ共通回路(エミッタ・フォロワ)を使ってヘッドホン・バッファとして使えるようにしてみたのが回路<1>です。

図<1>

■出力インピーダンスと入力インピーダンス

コレクタ共通回路の出力インピーダンスは、以下の式で概算できます。

出力インピーダンス=(Rin/hFE)+(26/Ic)
Rin:信号源インピーダンス(Ω)
Ic:コレクタ電流(mA)
下の式は、エミッタ・フォロワ型ヘッドホン・バッファの出力段のエッセンスを抜き出したものです。Rinにあたるものは47Ωの抵抗で、TTC015BのhFEは180くらいです。式中の26という値は定数です。Icは59mAです。出力と直列に0。47Ωがありますのでこれも足してやります。これらを式にあてはめると、

出力インピーダンス=(47Ω/180)+(26/59mA)+0.47Ω=1.17Ω
コレクタ共通回路の入力インピーダンスは、以下の式で概算できます。

入力インピーダンス=(RL+(26/Ic))×hFE
RL:負荷インピーダンスの合計
負荷となるのは、ヘッドホンのインピーダンスに0.47Ωを足したものと470Ωと120Ωの並列合成値です。ヘッドホンのインピーダンスが33Ωの場合は24.8Ωになります。 hFEは180でIcは59mAですから、入力インピーダンスは以下のようになります。

入力インピーダンス=(24.8Ω+(26/59mA))×180=4.54kΩ
この値ではオーディオ・アンプとして低すぎるので、2SC1815によるコレクタ共通回路を1段追加しました。2SC1815段の入力インピーダンスを概算で求めてみます。エミッタの負荷となるのは4.54kΩと3.3kΩですがこの並列合成値は1.91kΩですが47Ωがあるのでこれも足します。2SC1815のhFEの実測値は270でIcは2.5mAですから、入力インピーダンスは以下のようになります。

入力インピーダンス=(1.91kΩ+(26/2.5mA)+47Ω)×270=520kΩ
回路全体としての入力インピーダンスにはベース・バイアスを与えるための抵抗(82kΩと150kΩ)が加わりますので、これらを計算に入れると本機の入力インピーダンスは48.1kΩです。

■最大振幅時のAC動作の解析

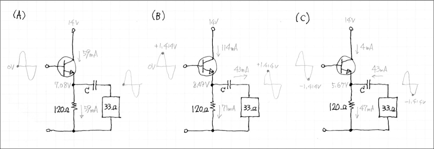
TTC015Bに59mAのコレクタ電流を流した時のベース〜エミッタ間電圧が0.6V、2SC1815のベース〜エミッタ間電圧は0.61Vくらいなので、TTC015Bのエミッタ電圧を電源電圧の1/2の7Vくらいに落ちつかせるには2SC1815のベースに8.1Vを与えるような回路定数を選ぶことになります。さて、この回路が33Ωのヘッドホンを駆動した時の交流動作の様子を表したのが図<2>です。

(A)は信号が入力されていない初期の状態です。120Ωとトランジスタには59mAのコレクタ電流が流れているだけで、ヘッドホン(33Ω)には電流は流れていません。

(B)は1Vrmsの信号が入力された時のプラス側のサイクルのピーク(+1.414V)の瞬間を表しています。エミッタ電圧は1.414V増しの8.494Vになっており、エミッタからヘッドホン(33Ω)に向かって吐き出すように43mAが流れています。

(C)は1Vrmsの信号が入力された時のマイナス側のサイクルのピーク(−1.414V)の瞬間を表しています。エミッタ電圧は1.414V減の5.666Vになっており、ヘッドホン(33Ω)からエミッタに向かって吸い込むように43mAが流れています。

図<2>

この時、TTC015Bは元々流れていた59mAを基点としてコレクタ電流を増減させ、その差分を使って負荷を駆動しているわけです。ですから負荷を駆動する信号電流は元々流していた59mAを超えることはできません。(C)の場面ではコレクタ電流は4mAまで減っており、これ以下に減らす余裕がわずかしかありません。この回路で33Ωのヘッドホンを駆動すると1Vrms以上の出力を得ることは困難であることがわかります。

■実測特性

図<3>はこのヘッドホン・バッファの歪み率特性を出力電圧(V)で表したもので、図<4>は同じデータを使って出力電力(mW)で表したものです。33Ωの線を見ると1Vあたりから歪が激増し出力電圧の限界であることがわかりますから、上記の計算と実測結果はよく一致します。 出力電力でみると、0.1%の低歪みで得られるのは33Ω負荷でたったの1mW、62Ω負荷では3mW、150Ω負荷では5mWほどです。歪み率を1%まで許容するとなんとか30〜40mWが得られますから音が出るおもちゃとしてはいいかもしれません。

図<3,4>

■エミッタ・フォロワ型ヘッドホン・バッファの改良

カレント・ミラー回路とは、その名のとおり回路上の2つの電流(カレント)が鏡(ミラー)に映したように同じ振る舞いをする回路です。基本回路は同特性の2つのトランジスタを向き合わせるように配置します(図<5(A)>)。この回路では向かい合った2つのトランジスタのコレクタ電流は常に等しくなります。主導権を握っているのは左側に流れる電流です。左右2つのトランジスタが同じ特性の場合、右側のトランジスタのコレクタ電流は左側と(ほとんど)同じになります。

図<5(B)>のように抵抗器と組み合わせることで値が異なる2つの電流が比例して変化するようにできます。この場合、左右のトランジスタのコレクタ電流は抵抗値の比率に応じて変化するようになります。また左右の抵抗値が同じであればコレクタ電流は(A)の回路よりも正確に同じになります。

普通の解説はこれで終わりですがもう少し踏み込んでみましょう。

ベース〜エミッタ間電圧・・・大雑把には0.6Vということになっていますが、そうではありませんね。常に0.6Vだったらカレント・ミラー回路は動作しません。ベース〜エミッタ間電圧がベース電流に対して指数関数的に変化する性質を利用した回路だからです。この性質が機能しなくなるとカレント・ミラー回路の正確さは失われます。

hFEが異なると・・・ベース〜エミッタ間電圧はベース電流に依存します。同じベース電流でも、hFEが異なればコレクタ電流は同じにはなりません。

コレクタ〜エミッタ間飽和・・・カレント・ミラー回路の左右2つのトランジスタのコレクタ〜エミッタ間電圧は同じではありません。左側は0.5〜0.7Vしかないのです。コレクタ〜エミッタ間電圧が十分に高くない状態で、コレクタ電流が大きくなるとトランジスタは飽和し始め、hFEが著しく低下します。hFEが低下すればカレント・ミラーの正確さは失われます。

図<5>

実際に製作したのは改良版のヘッドホン・バッファは図<6>の回路です。カレント・ミラーを構成しているのは、シリコン・ダイオードの1N4007と下側のTTC015B、そして2つの抵抗器です。

図<6>

■最大振幅時のAC動作の解析

上側のTTC015Bからみるとエミッタ抵抗がTTC015B(下側)に置き換わったことになり、しかも下側のTTC015Bは能動的な動きをして上側のTTC015Bを助けます。オーディオ信号が入力されるとその振幅に応じて2SA1015のコレクタ電流が変化します。その変化はカレント・ミラー回路の110Ωの両端電圧の変化として現れます。そしてカレント・ミラーの性質として8.2:110の比率でより大きな電流となってTTC015Bのコレクタ電流を流そうとします。この回路が33Ωのヘッドホンを駆動した時の交流動作の様子を表したのが図<7>です。

(A)は信号が入力されていない初期の状態です。出力段には63mAのコレクタ電流が流れているだけで、ヘッドホン(33Ω)には電流は流れていません。

(B)は2.33Vrmsの信号が入力された時のプラス側のピーク(+3.3V)の瞬間を表しています。エミッタからヘッドホン(33Ω)に向かって吐き出すように100mAが流れています。この時、下側のTTC015Bのコレクタ電流は63mAから30mAに減っているため、上側のTTC015Bの負担が軽くなっています。

(C)は2.33Vrmsの信号が入力された時のマイナス側のピーク(−3.3V)の瞬間を表しています。ヘッドホン(33Ω)からエミッタに向かって吸い込むように100mAが流れています。この時、下側のTTC015Bのコレクタ電流は101mAに増加しており、上側のTTC015Bのコレクタ電流はわずか1mAです。このように、上下2つのTTC015Bが互いに協力し合って±100mAもの信号電流を引き出しています。

この回路は、非対称なのにプッシュプル的な動作をすることで負荷の駆動効率を高めているだけでなく、エミッタ・フォロワ回路で必然的に生じてしまう歪を打ち消す機能まで持っています。

図<7>

■改善された実測特性

図<8>はこのヘッドホン・バッファの歪み率特性を出力電圧(V)で表したもので、図<9>は同じデータを使って出力電力(mW)で表したものです。33Ω負荷の線を見ると2。3Vあたりから歪が激増し出力電圧の限界であることがわかりますから、上記の計算と実測結果はよく一致します。

最低歪みは0.004%となり、33Ωから150Ωに至るまで0.1%の低歪みで60mW〜150mWが得られています。歪み率特性のグラフから残留ノイズを求めると6μVとなり超々低雑音と言っていい値です。

図<8,9>


■■SEPP型ヘッドホン・バッファ

SEPP(シングル・エンデッド・プッシュプル)回路は、NPNおよびPNPトランジスタを組み合わせたプッシュプル構造のエミッタ・フォロワ回路の一種です。SEPP回路の基本形は図<11>のような構造をしています。

図<11>

NPNトランジスタとPNPトランジスタが互いに逆さまになりながら電気的に並列になった一対のエミッタ・フォロワ回路を構成しています。アイドリング電流として両トランジスタに適当なコレクタ電流を流しておくためには、両ベース間にバイアス電圧を与える必要があります。エミッタに入れた2つの抵抗はSEPP回路として必須ではありませんが、トランジスタの熱暴走を防ぎ回路の温度安定を得るためには欠かせません。負荷を駆動する電流のうち吐き出し側(Iout)は上側のNPNトランジスタが受け持ち、吸い込み側(Iin)は下側のPNPトランジスタが受け持ちます。2つのトランジスタが役割分担をすることで大きな駆動電流を得ることができる回路です。

■SEPP回路のアイドリング電流

出力段のアイドリング電流は、バイアス電圧(=LEDの順電圧)と、2つのエミッタ抵抗(5.6Ω)と、出力段トランジスタのベース〜エミッタ間電圧と、周囲温度の4つの相互関係で決まります。バイアス電圧が高いほど、エミッタ抵抗値が小さいほど、出力段トランジスタのベース〜エミッタ間電圧が低いほど、周囲温度が高いほど、アイドリング電流は多くなります。

バイアス電圧(=LEDの順電圧)が1.78Vくらいの時、アイドリング電流は50mAくらいになり、出力段トランジスタ1個あたりの消費電力は、

50mA×7V=350mW
になります。アイドリング電流が70mAの時は、

70mA×7V=490mW
となりますが、これくらいであればまだまだ余裕があり十分に許容範囲です。

■エミッタ・フォロワ+SEPP回路

図<12>はNPNトランジスタのTTC015BとPNPトランジスタのTTA008Bを使ったSEPPによるヘッドホン・バッファです。SEPP回路だけでは十分な入力インピーダンスが得られないので、入力側に2SC1815-GRを使ったエミッタ・フォロワ回路を1段追加してあります。

バイアス回路にはオレンジ色のLEDを使いました。LEDに4.3mAを流した時の順電圧は1.73Vです。この回路では、SEPP回路を構成するTTC015BとTTA008Bのベース〜エミッタ間電圧と2つのエミッタ抵抗(5.6Ω×2)で生じる電圧の合計が1.73Vとなるような条件で均衡します。

0.608V+0.518V+0.604V=1.73V
図<12>

図<13,14>はこの実験回路の実測特性データです。歪みを増やしている犯人は初段(2SC1815)のエミッタ・フォロワ回路です。 エミッタ・フォロワ回路では、コレクタ電流は信号波形に追従してリニアに増減します。ところがベース〜エミッタ間電圧はコレクタ電流の変化に追従して指数関数的(ノンリニア)に増減します。エミッタ・フォロワ回路は、入力と出力の間にノンリニアなベース〜エミッタ間電圧がサンドイッチになっているために不可避的に歪が生じるのです。

図<13,14>

■エミッタ・フォロワ+SEPP回路の改良

(省略)


ヘッドホンアンプを作ろう! に戻る